Yamato-Saidaiji Station

Yamato-Saidaiji Station

大和西大寺駅
Kintetsu Railway commuter rail station
General information
Location1-1, Saidaiji Kunimichō Itchōme, Nara-shi, Nara-ken 631-0823
Japan
Coordinates34°41′38″N 135°46′58″E / 34.69389°N 135.78278°E / 34.69389; 135.78278
Owned by Kintetsu Railway
Operated by Kintetsu Railway
Line(s)
Platforms3 island platforms
Tracks6
Train operators Kintetsu Railway
Connections
  • Bus terminal
Construction
Bicycle facilitiesBicycle facilities Available
AccessibleYes
Other information
Station code A26 ,  B26 ,  B26 
Websitewww.kintetsu.co.jp/station/station_info/station03021.html
History
Opened30 April 1914 (1914-04-30)
Previous namesSaidaiji; Daiki Saidaiji (until 1941)
Passengers
FY202242,850 daily
Location
Time's Place Saidaiji

Yamato-Saidaiji Station (大和西大寺駅, Yamato Saidaiji-eki) is a junction passenger railway station located in the city of Nara, Nara Prefecture, Japan. It is operated by the private transportation company, Kintetsu Railway.[1] The station is also referred to as Kintetsu Saidaiji Station (近鉄西大寺駅) or Saidaiji Station (西大寺駅).

Lines

Yamato-Saidaiji Station is a junction of lines coming from four directions: the Nara line from Osaka in the west and Nara in the east, the Kyoto line from Kyoto in the north, and the Kashihara Line from Kashihara in the south.[2] It is 22.3 kilometers from the starting point of the Nara Line at Fuse and 28.4 kilometers from Osaka Namba and is 24.6 kilometers from the starting point of the Kyoto Line. It is also the northern terminus of the 28.3 kilometer Kashihara Line to Kashiharajingū-mae.

Layout

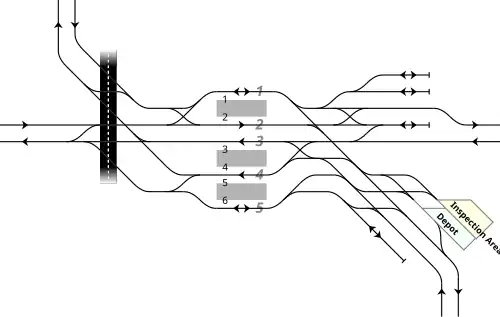
The station consists of three island platforms and five tracks. Each platform is connected to the elevated station building by an underground passageway, and the platforms are numbered to Platform 6 as Platforms 4 and 5 share the same track. Each platform has a usable length of 10 cars. The station is staffed.[3]

Platforms

1, 2  Nara Line  A  for Nara
 Kashihara Line  B  for Yamato-Yagi and Kashiharajingu-mae /  H  for Tenri
 M  for Ise-Shima
 E  Change trains at Yamato-Yagi for Nagoya
 F  Change trains at Kashiharajingu-mae for Yoshino
3, 4, 5  Nara Line  A  for Gakuen-mae, Fuse, Ōsaka Namba, Amagasaki, Koshien and Kobe Sannomiya
 Kyōto Line  B  for Takanohara, Tambabashi, Kyōto and Kokusaikaikan
6  Kashihara Line  B  starting for Yamato-Yagi and Kashiharajingu-mae
 H  starting for Tenri
(mainly local trains)
 Nara Line  A  local trains and semi-express trains for Ōsaka Namba (only a few trains)
Track layout of Yamato-Saidaiji Station[4]
Kyoto Line to Kyoto
Nara Line
to Ōsaka Namba
Track layout of Yamato-Saidaiji Station Nara Line
to Kintetsu Nara
Kashihara Line to Kashiharajingū-mae

Adjacent stations

« Service »
Kintetsu Railway
Nara Line (A26)
Ayameike (A21)   Local   Shin-Ōmiya (A27)
Ayameike (A21)   Suburban Semi-Express   Shin-Ōmiya (A27)
Ayameike (A21)   Semi-Express   Shin-Ōmiya (A27)
Gakuen-mae (A20)   Express   Shin-Ōmiya (A27)
Gakuen-mae (A20)   Rapid Express   Shin-Ōmiya (A27)
Gakuen-mae (A20)   Limited Express (Ōsaka - Nara)   Kintetsu Nara (A28)
Kyoto Line (B26)
Heijo (B25)   Local   Amagatsuji (B27: Kashihara Line)
Takanohara (B24)   Express   Shin-Omiya (A27: Nara Line)
Nishinokyo(B28: Kashihara Line) /Kintetsu Koriyama
Kintetsu Tambabashi (B07)
Takanohara (B24)
(northbound: first train - 9:40 a.m.)
(southbound: departing from Kyōto after 3 p.m.)
  Limited Express (Kyōto - Nara, Kashihara)   Kintetsu Nara (A28: Nara Line)
Kashihara Line
Kintetsu Tambabashi (B07)
Takanohara (B24)
(northbound: 1 in the morning)
(southbound: 2 after 3 p.m.)
  Limited Express (Kyōto - Ise)   Yamato-Yagi (B39: Kashihara Line)
Kintetsu Tambabashi (B07)   Limited Express "Shimakaze"   Yamato-Yagi (B39: Kashihara Line)
Kashihara Line (B26)
Heijo (B25: Kyoto Line)   Local   Amagatsuji (B27)
Takanohara (B24: Kyoto Line)   Express   Nishinokyō (B28) (non-rush hour)
Kintetsu Kōriyama (B30)
Kyoto Line   Limited Express (Kyōto - Kashihara)   Nishinokyō (B28) (non-rush hour)
Yamato-Yagi (B39)
Kyoto Line   Limited Express (Kyōto - Ise)   Yamato-Yagi (B39)
Kintetsu Tambabashi (B07: Kyoto Line)   Limited Express "Shimakaze"   Yamato-Yagi (B39)

History

Yamato-Saidaiji Station was opened 30 April 1914 as Saidaiji Station (西大寺駅) by the Osaka Electric Tramway. With the opening of the Unebi Line, it was moved about 150 meters west from its original location. The station was connected to the Nara Electric Railway in November 1928, and renamed Daiki-Saidaiji Station (大軌西大寺駅) in December 1932. The Osaka Electric Tramway merged with Sangu Express Railway on March 15, 1941, and the station was renamed Yamato Saidaiji Station (大和西大寺駅). The station was moved back to its original location in March 1965.

Incidents

On 8 July 2022, the area near the north entrance of the station became a crime scene when former Japanese Prime Minister Shinzo Abe was assassinated while campaigning around the vicinity.[5]

Passenger statistics

In fiscal 2022, the station was used by an average of 42,850 passengers daily (boarding passengers only).[6]

Surrounding area

North

South

  • Kintetsu Saidaiji Building
    • Kintetsu Saidaiji Shopping Center
      • SupermarketKINSHO Saidaiji
  • Kintetsu Daini Saidaiji Building
    • Saidaiji Daini Shopping Center
  • Saidai-ji
  • Saidaiji Police Box
  • Kintetsu Saidaiji Inspection Depot

Bus stops

Buses are operated by Nara Kotsu Bus Lines Co., Ltd.

  • Bus stop 1
    • Route 11 for Ichijo Senior High School
    • Route 12 for JR Nara Station via Hokkeji, Ichijo Senior High School and Kintetsu Nara Station
    • Route 14 for JR Nara Station via JASDF Nara Base, Hokkeji, Ichijo Senior High School and Kintetsu Nara Station
    • Route 73 for Utahimecho
  • Bus stop 2
    • Route 72 for Oshikuma

See also

References

  1. ^ Terada, Hirokazu (July 2002). データブック日本の私鉄 [Databook: Japan's Private Railways]. Japan: Neko Publishing. ISBN 4-87366-874-3.
  2. ^ "Yamato-Saidaiji Station | JapanVisitor Japan Travel Guide". Archived from the original on 17 December 2019. Retrieved 17 March 2020.
  3. ^ "西大寺駅" [Yamato-Saidaiji Station]. hacchi-no-he.net. Retrieved 16 March 2018.
  4. ^ Kawashima, Ryōzō (1993). Zenkoku Tetsudō Jijō Dai-kenkyū: Ōsaka Toshin-bu, Nara Hen (in Japanese). Sōshisha. p. 134. ISBN 978-4-7942-0498-1.
  5. ^ "Man taken into custody after former Japanese PM Abe Shinzo collapses | NHK WORLD-JAPAN News". 8 July 2022. Archived from the original on 8 July 2022. Retrieved 8 July 2022.
  6. ^ Nara Prefecture Statistical Yearbook

Media related to Yamato-Saidaiji Station at Wikimedia Commons