Warsaw rectifier

The Warsaw rectifier is a pulse-width modulation (PWM) rectifier invented by Włodzimierz Koczara in 1992.[1][2]

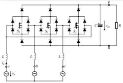
Fig. 1: Schematic of Warsaw Rectifier topology
Fig. 2: Patent PL167855 scan

Features

The Warsaw Rectifier provides the following features:

  • Unity power factor [3]
  • Three-wire input, which does not require a connection to the neutral wire
  • Ohmic behaviour
  • Controlled output voltage
  • Simple control scheme
  • Low power losses

Unique features of the Warsaw Rectifier:

  • Short circuits do not cause current to flow through switches
  • No cross-short circuiting of switches possible
  • Dead time is not required

Topology

The Warsaw rectifier is a unidirectional, three-phase, three-switch two-level pulse-width modulation (PWM) rectifier. This topology uses three insulated-gate field-effect transistors (IGFET) and eighteen diodes. The bidirectional switches (composed of four diodes and one IGFET circuit) are connected in a delta topology. The rectifier output does not require a divided DC-link circuit as required in the Vienna rectifier topology.[4][5]

See also

References

  1. ^ Koczara W., "Controlled Rectifier", Polish Patent PL 167855, Apr. 17, 1992.
  2. ^ Koczara W., "Unity factor three phase rectifier", Power Quality ’92 Conference Europe, Münich, October 1992, 79–88, 14–15.
  3. ^ Koczara W., Bialoskorki P., "Unity power factor three phase rectifiers" Power Electronics Specialists Conference, 1993. PESC '93 Record., 24th Annual IEEE at [1]
  4. ^ D. Carlton, W.G. Dunford, M. Edmunds, “Continuous conduction mode operation of a three-phase power-factor correction circuit with quasi tri-directional switches” Power Electronics Specialists Conference, 1999. PESC 99. 30th Annual IEEE [2]
  5. ^ Bałkowiec T., “Three Phase Warsaw Boost Rectifier for High Power Variable Speed Power Generation” Prace Naukowe Instytutu Maszyn, Napędów i Pomiarów Elektrycznych Politechniki Wrocławskiej, Nr 71, 2015 at http://www.imnipe.pwr.wroc.pl