Paleofauna of the Messel Formation
This is an overview of the paleofauna of the Eocene Messel Formation as explored by the Messel Pit excavations in Germany. A former quarry and now UNESCO World Heritage Site, the Messel Formation preserves what lived in and around a meromictic lake surrounded by a paratropical rainforest during the latest early to earliest middle Eocene, approximately 47 Ma. A complete list of animal taxa was published in 2024.[1]
Sponges
| Family | Genus | Species | Authority | Notes | Image |
|---|---|---|---|---|---|
|
Ephydatia gutenbergiana[2] |
Müller et al. 1982 |
A possibly rheophile species sponge, it grew dominant under favorable conditions and gradually replaced the native population of Lutetiospongilla until a change to the environment. Decrease in freshwater supply likely diminished the sponges population. |
![]() | ||
|
†Lutetiospongilla |
†Lutetiospongilla heili[2] |
Richter & Wuttke 1999 |
A permanent resident of the Messel lake, L. heili was already present when Ephydatia arrived in the lake and differed from the other species by possibly being rheophobe. Following the later species decline, Lutetiospongilla became the second "mass species" of the lake. |
![]() gemmules and large radial gemmuloscleres | |
|
"Type 3"[2] |
An unnamed sponge, informally referred to as "Type 3" by Heil (1964). It may have colonized Messel lake after Lutetiospongilla had replaced Ephydatia as the dominant sponge species.[2] |
Molluscs
| Family | Genus | Species | Authority | Notes | Image |
|---|---|---|---|---|---|
|
Undescribed[3] |
A freshwater snail found in certain layers of the Messel formation. |
Crustaceans
| Family | Genus | Species | Authority | Notes | Image |
|---|---|---|---|---|---|
| Daphniidae |
Ctenodaphnia |
Undescribed[4] |
A water flea |
||
|
Unidentified[4] |
A Daphnia subgenus Daphnia water flea |
||||
|
Undescribed[4] |
A water flea reported by Lutz from ephippia containing two eggs. |
||||
| ? Palaemonidae | †Bechleja |
†Bechleja brevirostris[5] |
de Mazancourt, Wappler & Wedmann, 2022 |
A palaemonid? freshwater shrimp |
![]() |
|
†Bechleja sp.[5] |
A palaemonid? freshwater shrimp |
||||
|
incertae sedis |
incertae sedis |
incertae sedis[3] |
An undescribed freshwater shrimp discovered in 2005. |
Arachnids
Araneae
| Family | Genus | Species | Authority | Notes | Image |
|---|---|---|---|---|---|
|
Undescribed |
Undescribed[6] |
An orb-weaver spider |
|||
|
†Lutetiana |
†Lutetiana neli[7] |
Selden & Wappler, 2019 |
A possible cybaeid ground spider |
![]() | |
|
Undescribed |
Undescribed[8] |
A well preserved tree trunk spider. |
Opiliones
| Family | Genus | Species | Authority | Notes | Image |
|---|---|---|---|---|---|
|
Undescribed |
Undescribed |
Six harvestmen awaiting description. |
Insects
Coleoptera
| Family | Genus | Species | Authority | Notes | Image |
|---|---|---|---|---|---|
|
†Palaeoalatorostrum |
†Palaeoalatorostrum schaali[9] |
Rheinheimer, 2007 |
An Attelabine leaf-rolling weevil |
||
| Cupedidae | Cupes |
†Cupes messelensis[10] |
(Tröster, 1993) |
A reticulated beetle species |
|
|
†Cupes nabozhenkoi[10] |
Kirejtshuk, 2020 |
A reticulated beetle species |
![]() | ||
|
†Cupes wedmannae[10] |
Kirejtshuk, 2020 |
A reticulated beetle species |
![]() | ||
| Curculionidae | †Palaeocrassirhinus |
†Palaeocrassirhinus messelensis[9] |
Rheinheimer, 2007 |
||
|
†Palaeocrassirhinus rugosithorax[9] |
Rheinheimer, 2007 |
||||
|
†Palaeocneorhinus |
†Palaeocneorhinus messelensis[9] |
Rheinheimer, 2007 |
|||
| Elateridae | †Macropunctum |
†Macropunctum angulosum[11] |
Tröster, 1999 |
A click beetle species. |
|
|
†Macropunctum angustiscutellurn[12] |
Tröster, 1994 |
A click beetle species. |
|||
|
†Macropuncturn latiscutellurn[12] |
Tröster, 1994 |
A click beetle species. |
|||
|
†Macropunctum messelense[12] |
Tröster, 1994 |
A click beetle species. |
|||
|
†Macropunctum minuturn[12] |
(Meunier, 1921) |
A click beetle species. |
|||
|
†Macropunctum rebugense[12] |
Tröster, 1994 |
A click beetle species. |
|||
|
†Macropunctum senckenbergi[12] |
Tröster, 1994 |
A click beetle species. |
|||
|
Chalumeau et al. 2001 |
A 55 mm (2.2 in) long stag beetle with preserved coloration. |
||||
|
Unnamed |
Unnamed[14] |
A eubrianacine water-penny beetle |
|||
|
Ceropria? |
Ceropria? messelense[15] |
Hornschemeyer, 1994 |
Dictyopterans
| Family | Genus | Species | Authority | Notes | Image |
|---|---|---|---|---|---|
|
Morphna |
†Morphna cenozoica[16] |
Šmídová, Vidlička & Wedmann, 2021 |
Dipterans
| Family | Genus | Species | Authority | Notes | Image |
|---|---|---|---|---|---|
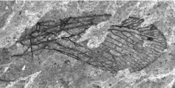
|
†Plecia acourti[17] †Plecia hoffeinsorum[17] Unnamed species [17] |
Cockerell, 1921 Skartveit, 2009 |
Several species of march fly. |
|||
|
†Comptosia pria[18] |
Wedmann & Yeates, 2008 |
A species of bee fly. |
|||
|
Unnamed[19] |
Unnamed midges known from aquatic larval form. |
||||
|
Hirmoneura |
†Hirmoneura messelense[20] |
Wedmann et al., 2021 |
A pollen feeding species of tangle-veined fly. |
Hemiptera
| Family | Genus | Species | Authority | Notes | Image |
|---|---|---|---|---|---|
| Aradidae |
Aneurus? incertus[21] |
Wappler, Heiss & Wedmann, 2015 |
A species of flat bug. |
||
|
Mezira parapetrificata[21] Mezira petrificata[21] |
Wappler, Heiss & Wedmann, 2015 |
Two species of flat bug. |
|||
|
Wedelphus |
Wedelphus dichopteroides[22] |
Szwedo & Wappler, 2006 |
|||
|
Amalaberga |
Amalaberga ostrogothiorum[22] |
Szwedo & Wappler, 2006 |
|||
|
Baninus |
Baninus thuringiorum[22] |
Szwedo & Wappler, 2006 |
|||
|
Eospinosus |
Eospinosus peterkulkai[23] |
Wedmann et al., 2021 |
A species of shield bug exhibiting prominent spiky protrustions possibly used in defense or camouflage. |
||
| Tingidae |
Chorotingiotes |
Chorotingiotes prisca[24] |
Wappler, 2003 |
||
|
Exmesselensis |
Exmesselensis disspinosus[24] |
Wappler, 2003 |
A phatnomine canatacaderine lacebug |
||
|
Lutetiacader |
Lutetiacadeir petrefactus[25] |
Wappler, 2006 |
A cantacaderine canatacaderine lacebug |
||
|
Oblongomorpha |
Oblongomorpha lutetia[24] |
Wappler, 2003 |
Hymenoptera
| Family | Genus | Species | Authority | Notes | Image |
|---|---|---|---|---|---|
| Apidae |
†Pygomelissa |
†Pygomelissa lutetia[26] |
Wappler & Engel, 2003 |
A bee of uncertain tribal placement. |
|
|
†Protobombus |
†Protobombus messelensis[26] |
Wappler & Engel, 2003 |
An electrapinae bee. |
||
| Formicidae |
Dlussky, 2012 |
A myrmeciine ant with long mandibles. |
![]() holotype | ||
|
Dlussky & Wedmann, 2012 |
An amblyoponine ant. |
![]() holotype | |||
| †Cephalopone |
Dlussky & Wedmann, 2012 |
![]() holotype | |||
|
Dlussky & Wedmann, 2012 |
![]() holotype | ||||
| †Cyrtopone |
†Cyrtopone curiosa[28] |
Dlussky & Wedmann, 2012 |
|||
|
†Cyrtopone elongata[28] |
Dlussky & Wedmann, 2012 |
||||
|
†Cyrtopone microcephala[28] |
Dlussky & Wedmann, 2012 |
||||
|
†Cyrtopone striata[28] |
Dlussky & Wedmann, 2012 |
![]() holotype | |||
|
Dlussky, Wappler, & Wedmann, 2009 |
A formicine subfamily ant |
![]() holotype | |||
|
Dlussky & Wedmann, 2012 |
A poneromorph ant. |
![]() holotype | |||
| Pachycondyla |
Dlussky & Wedmann, 2012 |
||||
|
Dlussky & Wedmann, 2012 |
![]() holotype | ||||
|
Dlussky & Wedmann, 2012 |
|||||
|
Dlussky et al., 2015 |
|||||
|
Dlussky & Wedmann, 2012 |
|||||
|
Dlussky & Wedmann, 2012 |
|||||
| †Protopone |
†Protopone? dubia[28] |
Dlussky & Wedmann, 2012 |
|||
|
†Protopone germanica[28] |
Dlussky & Wedmann, 2012 |
||||
|
†Protopone magna[28] |
Dlussky & Wedmann, 2012 |
![]() holotype | |||
|
†Protopone oculata[28] |
Dlussky & Wedmann, 2012 |
||||
|
†Protopone sepulta[28] |
Dlussky & Wedmann, 2012 |
||||
|
†Protopone vetula[28] |
Dlussky & Wedmann, 2012 |
||||
| †Pseudectatomma |
†Pseudectatomma eocenica[28] |
Dlussky & Wedmann, 2012 |
An ectatommine ant |
![]() holotype | |
|
†Pseudectatomma striatula[28] |
Dlussky & Wedmann, 2012 |
An ectatommine ant |
|||
| †Titanomyrma |
†Titanomyrma gigantea[31] |
(Lutz, 1986) |
A formiciine subfamily ant |
![]() holotype | |
|
†Titanomyrma simillima[31] |
(Lutz, 1986) |
A formiciine subfamily ant |
![]() holotype | ||
| Ichneumonidae |
†Mesornatus |
†Mesornatus markovici[32] |
Spasojevic, Wedmann & Klopfstein, 2018 |
An ichneumon wasp of uncertain subfamilial affinity |
![]() holotype |
|
†Polyhelictes |
†Polyhelictes bipolarus[32] |
Spasojevic, Wedmann & Klopfstein, 2018 |
An ichneumon wasp of uncertain subfamilial affinity |
![]() holotype | |
|
†Rhyssella vera[32] |
Spasojevic, Wedmann & Klopfstein, 2018 |
![]() holotype | |||
|
†Scambus fossilobus[32] |
Spasojevic, Wedmann & Klopfstein, 2018 |
![]() holotype | |||
|
†Trigonator |
†Trigonator macrocheirus[32] |
Spasojevic, Wedmann & Klopfstein, 2018 |
![]() holotype | ||
| Xanthopimpla |
†Xanthopimpla messelensis[32] |
Spasojevic, Wedmann & Klopfstein, 2018 |
A pimpline pimplinae ichneumon wasp |
![]() holotype | |
|
†Xanthopimpla praeclara[32] |
Spasojevic, Wedmann & Klopfstein, 2018 |
A pimpline pimplinae ichneumon wasp |
![]() holotype | ||
|
Xoanon? |
†Xoanon? eocenicus[33] |
Wedmann, Pouillon, & Nel, 2014 |
A siricid horntail wasp |
||
|
†Vespula? hassiaca[34] |
Abels & Wedmann, 2021 |
A vespid wasp |
Lepidoptera
| Family | Genus | Species | Authority | Notes | Image |
|---|---|---|---|---|---|
|
undescribed |
undescribed[35] |
Two undescribed moth taxa |
![]() |
Neuroptera
| Family | Genus | Species | Authority | Notes | Image |
|---|---|---|---|---|---|
|
†Symphrasites |
†Symphrasites eocenicus[36] |
Wedman & Makarkin, 2007 |
A symphrasine mantidfly |
![]() |
Odonata
| Family | Genus | Species | Authority | Notes | Image |
|---|---|---|---|---|---|
|
†Dysagrionidae |
†Petrolestes |
†Petrolestes messelensis[37] |
Garrouste & Nel, 2015 |
A damselfly |
![]() |
|
†Pseudostenolestidae |
†Pseudostenolestes |
†Pseudostenolestes bechlyi[37] |
Garrouste & Nel, 2015 |
A damselfly species. |
Orthoptera
| Family | Genus | Species | Authority | Notes | Image |
|---|---|---|---|---|---|
| Tetrigidae |
†Archaeoarmatus |
†Archaeoarmatus messelensis |
Kasalo et al. (2024) |
||
|
†Messeltettix |
†Messeltettix cryptoantennatus |
Kasalo et al. (2024) |
Phasmatodea
| Family | Genus | Species | Authority | Notes | Image |
|---|---|---|---|---|---|
|
Wedmann, Bradler & Rust, 2007 |
A Phylliidae leaf insect, |
Fish
Amiiformes
| Family | Genus | Species | Authority | Notes | Image |
|---|---|---|---|---|---|
|
†Cyclurus kehreri[40] |
(Andreae, 1893) |
![]() |
Anguilliformes
| Family | Genus | Species | Authority | Notes | Image |
|---|---|---|---|---|---|
|
†Anguilla ignota[3] |
Micklich, 1985 |
Anguilla ignota fossils suggest a likely aquatic link to an ocean. |
|
Lepisosteiformes
| Family | Genus | Species | Authority | Notes | Image |
|---|---|---|---|---|---|
| Lepisosteidae | Atractosteus |
Atractosteus messelensis[41] |
Grande, 2010 |
One of three Messel gar species. |
|
|
†Atractosteus strausi[42] |
(Kinkelin, 1884) |
One of three Messel gar species. |
| ||
|
†Masillosteus kelleri[43] |
Micklich & Klappert, 2001 |
A rare, blunt snouted gar that likely fed on small invertebrates. |
Perciformes
| Family | Genus | Species | Authority | Notes | Image |
|---|---|---|---|---|---|
|
Palaeoperca proxima[44] |
Micklich, 1978 |
Palaeoperca may have been open water fish. |
| ||
|
Percichthydae[45] |
Amphiperca multiformis[46] |
Weitzel, 1933 |
Amphiperca likely was a thrust or ambush hunter catching prey from near-shore hiding spots. |
| |
|
incertae sedis |
Rhenanoperca minuta[47] |
Gaudant & Micklich, 1990 |
A small perciform with teeth suited for a durophagous diet. Fossils show they at least occasionally fed on smaller members of their species.[3] |
Thaumaturidae
| Family | Genus | Species | Authority | Notes | Image |
|---|---|---|---|---|---|
| Thaumaturidae | Thaumaturus | Thaumaturus intermedius[48] | Weitzel, 1933[46] | Thaumaturus is only known from juvenile specimens, ranging in length from 3–6 cm (1.2–2.4 in).[3] Its relationship with other groups of fish remains unknown. |
|
Amphibians
Caudata
| Family | Genus | Species | Authority | Notes | Image |
|---|---|---|---|---|---|
| Salamandridae | Chelotriton |
Chelotriton robustus[49] |
Westphal, 1980 |
A newt, | |
|
Chelotriton sp.[50] |
Undescribed |
A newt, |
Anura
| Family | Genus | Species | Authority | Notes | Image |
|---|---|---|---|---|---|
|
"Messelobatrachus" |
"Messelobatrachus tobieni"[51] |
Messelobatrachus and M. tobieni were first coined in a 1988 PhD. dissertation, but never formally published.[45] |
| ||
|
Eopelobates wagneri[52] |
Weitzel, 1938 |
A spadefoot toad relative |
| ||
|
Undescribed |
Undescribed[45] |
Two undescribed specimens of Xenopinae clawed frogs. |
|||
|
Incertae sedis |
Lutetiobatrachus |
Lutetiobatrachus gracilis[53] |
Wuttke, 1998 |
First coined in 1988, but nomen nudum until redescription in 2012. |
Squamata
| Clade | Genus | Species | Authority | Notes | Image |
|---|---|---|---|---|---|
| Anguidae | Ophisauriscus | Ophisauriscus quadrupes[54] | Kuhn, 1940 | A serpentine reptile with vestigial limbs. It shows evidence of different osteoderm morphology after tail regeneration. | |
| Placosauriops | "Placosauriops abderhaldeni"[55] | Kuhn, 1940 | A type of melanosaurinin Glyptosaurine of dubious assignment, as the type material has not been adequately diagnosed. | ||
| Boidae | Eoconstrictor | Eoconstrictor fischeri[56] | (Schaal, 2004) | An early species of boa previously known as Palaeopython fischeri. | |
| Messelophis | Messelophis variatus[57] | Baszio, 2004 | A minute boa | ||
| Rieppelophis | Rieppelophis ermannorum[57] | (Schaal & Baszio, 2004) | A minute boa previously regarded as a species of Messelophis. | ![]() | |
| Corytophanidae | Geiseltaliellus | Geiseltaliellus maarius[58] | Smith, 2009 | An extinct, possibly arboreal, relative of the modern basilisk lizard. |
|
| Eolacertidae | Eolacerta | Eolacerta robusta[59] | Nöth, 1940 | A large species of lizard, reaching a length of 30 cm (12 in) and a weight of 1 kg (2.2 lb). | |
| Stefanikia | Stefanikia siderea[60] | Čerňanský & Smith, 2017 | A close relative of Eolacerta, the two genera were recovered as a sister-group to modern lizards. | ||
| Erycinae | Rageryx | Rageryx schmidi[61] | Smith & Scanferla, 2021 | A non-burrowing sandboa that reached a length of 52 cm (20 in). | |
| Cf. Lacertidae | Undescribed | Undescribed [62] | An undescribed arboreal lizard relative. | ||
| Gekkota | Undescribed | Undescribed [62] | A partly disarticulated skeleton of a gekko | ||
| Helodermatidae | Eurheloderma | Eurheloderma sp.[63] | A relative of the extant gila monster, it was likely already venomous. | ||
| Lacertibaenia | Cryptolacerta | Crytolacerta hassiaca[64] | Müller et al., 2011 | Phylogenetic analysis indicates that it may be a close relative of the limbless Amphisbaenia. Only two specimens are known, one of which was found in the stomach of the varanoid Paranecrosaurus | |
| Messelopythonidae | Messelopython | Messelopython freyi[65] | Zaher & Smith, 2020 | A medium sized pythonoid. | |
| Palaeopython | Palaeopython schaali[66] | Smith & Scanferla, 2022 | A pythonoid snake of similar size to Eoconstrictor. Several traits of the skull suggest it may have been arboreal. | ||
| Palaeovaranidae | Palaeovaranus | Palaeovaranus sp.[62] | Identified as Necrosaurus by Smith, Čerňanský and Scanferla, it is smaller than Paranecrosaurus. | ||
| Paranecrosaurus | Paranecrosaurus feisti[67] | (Stritzke, 1983) | First described as "Saniwa" feisti, it was found with the skull of Cryptolacerta in its guts. This indicates that this varanoid was at least partly carnivorous. |
| |
| Pan-Shinisaurus | Pan Shinisaurus indet. | Pan Shinisaurus indet.[68] | The shed tail of a crocodile lizard, showing adaptation for swimming. | ||
| Polychrotidae | Undescribed | Undescribed [62] | A possible relative of the modern bush anole. | ||
| Scincidae | Scincidae indet. | Scincidae indet.[3] | |||
| Scincoidea | Ornatocephalus | Ornatocephalus metzleri[69] | Weber, 2004 | An arboreal lizard with long claws and a prehensile tail, it was found with plants remains in its guts. |
Testudinata
| Family | Genus | Species | Authority | Notes | Image |
|---|---|---|---|---|---|
| Carettochelyidae | Allaeochelys | Allaeochelys crassesculptata[70] | (Harrassowitz, 1922) | A relative of the modern pig-nosed turtle, one fossil preserves two specimens while mating. |
|
| Geoemydidae | Euroemys | Euroemys kehreri[71] | Staesche, 1928 | A species of pond turtles of uncertain relationship, it was previously thought to be a species of Ocadia and Palaeoemys.[72] |
|
| Francellia | Francellia messeliana[71] | Staesche, 1928 | A species of pond turtles of uncertain relationship, it was previously thought to be a species of Ocadia and Palaeoemys.[72] | ||
| Juvemys | Juvemys sp.[3] | Hervet, 2003 | A species of pond turtles. | ||
| Podocnemididae | Neochelys | Neochelys franzeni[73] | Schleich, 1993 [74] | A podocnemidid side-necked turtle |
|
| Trionychidae | Palaeoamyda | Palaeoamyda messeliana [75] | (Reinach, 1900) | A species of softshell turtle |
|
Crocodyliformes
| Family | Genus | Species | Authority | Notes | Image |
|---|---|---|---|---|---|
| Alligatoroidea | Diplocynodon | Diplocynodon darwini
Diplocynodon deponaie[76] |
(Ludvig, 1877)
(Frey, Laemmert & Riess, 1987) |
The two species can be differentiated by the presence of well-developed osteoderms on the tail of Diplocynodon deponaie. |
|
| Alligatoridae | Hassiacosuchus | Hassiacosuchus haupti [77] | Weitzel, 1935 | A small species of alligatorid, some consider it a species of Allognathosuchus. Christopher Brochu argues for the continued use of Hassiacosuchus however.[78] |
|
| Bergisuchidae | Bergisuchus | Bergisuchus dietrichbergi[79] | Kuhn, 1968 | Member of the terrestrial Sebecosuchians with ziphodont teeth. |
|
| Crocodyloidea | "Asiatosuchus" | "Asiatosuchus" germanicus[80] | Berg, 1966 | A large and well known species of the paraphyletic genus Asiatosuchus. |
|
| Planocraniidae | Boverisuchus | Boverisuchus magnifrons[81] | Kuhn, 1938 | A terrestrial Crocodilian previously assigned to the now dubious Pristichampsus |
|
| Tomistominae | Tomistominae indet. | Tomistominae indet.[82] |
Birds
Incertae sedis
| Family | Genus | Species | Authority | Notes | Image |
|---|---|---|---|---|---|
| Incertae sedis | Aenigmatorhynchus | Aenigmatorhynchus rarus[83] | Mayr & Smith, 2025 | A bird with an unusual mandible, not confidently placeable in any extant bird order |
Palaeognathae
| Family | Genus | Species | Authority | Notes | Image |
|---|---|---|---|---|---|
| Lithornithidae | Lithornis | Lithornis sp.[84][85] | Its size was intermediate between Lithornis plebius and Lithornis hookeri. Additionally, it represents the last known lithornithid in the fossil record. | ||
| Incertae sedis | Palaeotis | Palaeotis weigelti[86] | Lambrecht, 1928 | A flightless palaeognath, previous analysis considered it to be a relative to ostriches or rheas. More recent research however doubts this. |
|
Anseriformes
| Family | Genus | Species | Authority | Notes | Image |
|---|---|---|---|---|---|
| Gastornithidae | Gastornis | Gastornis geiselensis[87] | Fischer, 1978 | A large, herbivorous galloansere.[88] | ![]() |
Galliformes
| Clade | Genus | Species | Authority | Notes | Image |
|---|---|---|---|---|---|
| Gallinuloididae | Paraortygoides | Paraortygoides messelensis[89] | Mayr, 2000 | One of the earliest known galliforms, the lack of a crop indicates they fed on only soft plant material. |
Mirandornithes
| Family | Genus | Species | Authority | Notes | Image |
|---|---|---|---|---|---|
| Juncitarsus | Juncitarsus merkeli[90] | Olson & Feduccia, 1980 | A wading bird thought to be basal to both flamingos and grebes. Both the beak shape and the presence of gastroliths show that it was not yet adapted to filderfeed and instead fed on hard items. | ![]() |
Cuculiformes
| Family | Genus | Species | Authority | Notes | Image |
|---|---|---|---|---|---|
| Foratidae? | Unnamed | Unnamed | Known from an isolated skull similar to the larger Foro panarium. |
Strisores
| Family | Genus | Species | Authority | Notes | Image |
|---|---|---|---|---|---|
| Cypseloramphus | Cypseloramphus dimidius[91] | Mayr, 2016 | A tentative apodiform. | ||
| Archaeotrogonidae | Hassiavis | Hassiavis laticauda[92] | Mayr, 1998 | The skull of Hassiavis closely resembles that of modern owlet-nightjars, being broad and short. | ![]() |
| Masillapodargus | Masillapodargus longipes[93] | Mayr, 2001 | A relative of the modern frogmouths. | ||
| Jungornithidae? | Parargornis | Parargornis messelensis[94] | Mayr, 2003 | A swift-like bird with short wings and long tail feathers, phylogenetic analysis indicate that it was a basal type of hummingbird.[95] | |
| Nyctibiidae | Paraprefica | Paraprefica kelleri[96]
Paraprefica major[93] |
Mayr, 1999 | An old-world genus of potoo. The two species can clearly be differentiated by size. | ![]() |
| Protocypselomorphus | Protocypselomorphus manfredkelleri[97] | Mayr, 2005 | An aerial insectivore with reduced feet, it was recovered as a sister-taxon to all other Strisores. | ||
| Pan-Apodidae | Scaniacypselus | Scaniacypselus szarskii[98] | (Peters, 1985) | An early genus of swift, its reduced legs and less developed wings indicate that it wasn't as aerial as its modern relatives and likely nested in trees. | ![]() |
Charadriiformes
| Family | Genus | Species | Authority | Notes | Image |
|---|---|---|---|---|---|
|
Vanolimicola longihallucis[99] |
Mayr, 2017 |
A small wading bird with elongated hallux. |
Gruimorphae
| Family | Genus | Species | Authority | Notes | Image |
|---|---|---|---|---|---|
| Messelornithidae | Messelornis | Messelornis cristata[100] | Hesse, 1988 | The most common fossil bird found at Messel, it was likely a terrestrial animal capable of only short bursts of flight due to its short wings. It may have had a comb or crest atop its head. |
Suliformes
| Family | Genus | Species | Authority | Notes | Image |
|---|---|---|---|---|---|
| Sulidae? | Masillastega | Masillastega rectirostris[101] | Mayr, 2002 | A bird tentatively referred to Sulidae, it was approximately the size of a modern European shag. It was likely piscivorous. | ![]() |
Pelecaniformes
| Family | Genus | Species | Authority | Notes | Image |
|---|---|---|---|---|---|
| Threskiornithidae | Rhynchaeites | Rhynchaeites messelensis[102] | Wittich, 1898 | Also known as the "snipe-rail" for its similarities to rails and painted snipes, it was actually a type of ibis. | ![]() |
Strigiformes
| Family | Genus | Species | Authority | Notes | Image |
|---|---|---|---|---|---|
| Palaeoglaucidae | Palaeoglaux | Palaeoglaux artophoron[103] | Peters, 1992 | A small owl preserving ribbon-like feathers arranged in a dense layer on its back. |
Coraciimorphae
| Family | Genus | Species | Authority | Notes | Image |
|---|---|---|---|---|---|
| Sandcoleidae | Chascacocolius | Chascacocolius cacicirostris[104] | Mayr, 2005 | A coliform bird with a conical beak. | |
| Eocoraciidae | Eocoracias | Eocoracias brachyptera[105] | Mayr, 2000 | An early species of roller, analysis of the plumage gave indication as to what its colours would have been in life.[106] | ![]() |
| Sandcoleidae | Eoglaucidium | Eoglaucidium pallas [107]
Eoglaucidium sp. indet.[84] |
Mayr & Peters, 1998 | Originally described as an owl from the Geiseltal, it was later found to be related to mousebirds. Its tail is notably shorter than that of its extant relatives. It is possible that the indetermined species instead belongs to Anneavis. | ![]() |
| Gracilitarsidae | Gracilitarsus | Gracilitarsus mirabilis[108] | Mayr, 1998 | The shape of the beak indicates that Gracilitarsus was either an insectivore or fed on nectar. | |
| Coliidae | Masillacolius | Masillacolius brevidactylus[107] | Mayr & Peters, 1998 | An extinct species of mousebird. | |
| Trogonidae | Masillatrogon | Masillatrogon pumilio[109] | Mayr, 2009 | An extinct species of trogon that supports the hypothesis that the family originated in the Old World. | ![]() |
| Messelirrisoridae | Messelirrisor | Messelirrisor grandis[110]
Messelirrisor halycrostris[111] Messelirrisor parvus[111] |
Mayr, 2000
Mayr, 1998 Mayr, 1998 |
Relatives of the modern hoopoe and wood hoopoe, they were birds with long, pointed beaks and diminutive body size. The tail feathers of one specimen show they were barred, preserving a pattern of dark and light stripes. | ![]() |
| Leptosomidae? | Plesiocathartes | Plesiocathartes kelleri[112] | Mayr, 2002 | A possible relative of the modern cuckoo-roller. | |
| Primobucconidae | Primobucco | Primobucco frugilegus[113]
Primobucco perneri |
Mayr, Mourer-Chaviré & Weidig, 2004 | The first recorded species of Primobucco in Europe. | ![]() |
| Incertae sedis | Quasisyndactylus | Quasisyndactylus longibrachis[92] | Mayr, 1998 | Quasisyndactylus is thought to be a relative of modern kingfishers, todies and motmots. | ![]() |
| Coliidae [84] | Selmes | Selmes absurdipes [114] | Peters, 1999 | A genus of mousebird. |
Cariamiformes (?)
Several groups of Messel birds share characteristics with the modern seriemas, which has led to them being placed within the clade Cariamae in the past. However, this placement typically occurred under the assumption that they are a group within gruiformes, which has been disputed by more recent analysis. Instead more recent publications consider Cariamae (or Cariamiformes) as basal members of Australaves.[115]
| Family | Genus | Species | Authority | Notes | Image |
|---|---|---|---|---|---|
| Idiornithidae | Dynamopterus | Dynamopterus cf. itardiensis[116]
Dynamopterus tuberculata[117] |
(Mourer-Chauviré, 1983)
(Peters, 1995) |
Previously known as Idiornis, it was later found to be synonymous with Dynamopterus. |
|
| Salmilidae | Salmila | Salmila robusta[118] | Mayr, 2000 | Salmila was originally described as a part of Cariamae within Gruiformes, but later analysis suggested that it was a sister taxon to the group instead. It shares characteristics with both seriemas and trumpeter birds. |
|
| Ameghinornithidae | Strigogyps | Strigogyps sapea[119] | (Peters, 1987) | Previously known as Aenigmavis, stomach contents indicate it was a herbivore. The phylogenetic position of Strigogyps is uncertain. |
|
Falconiformes
| Family | Genus | Species | Authority | Notes | Image |
|---|---|---|---|---|---|
| Masillaraptoridae | Masillaraptor | Masillaraptor parvunguis[120][121] | Mayr, 2006 | A long-legged, possibly more terrestrial bird. It shares several traits with modern falcons, but may be a more basal member of Falconiformes. |
Psittacopasserae
| Family | Genus | Species | Authority | Notes | Image |
|---|---|---|---|---|---|
| Messelasturidae | Messelastur | Messelastur gratulator | Peters, 1994 | Messelastur is a bird with a poorly understood ecology. Although shown to be closely related to Tynsyka, its relationship to other groups is not fully understood. Older publications suggest it may have been related to parrots or various birds of prey (including owls, hawks and falcons). One recent publication positions them at the base of Psittacopasserae alongside the Pseudasturidae (=Halcyornithidae).[122] | ![]() |
| Quercypsittidae? | Palaeopsittacus | Palaeopsittacus cf. georgei[123] | Harrison, 1982 | Although initially assigned to Psittaciformes, later research instead suggested the idea that it was a type of frogmouth instead. | |
| Zygodactylidae | Primozygodactylus | Primozygodactylus ballmanni[124]
Primozygodactylus danielsi[124] Primozygodactylus eunjooae[125] Primozygodactylus longibrachium[124] Primozygodactylus mayor[124] Primozygodactylus quintus[124] |
Mayr, 1998
Mayr, 1998 Mayr and Zelenkov, 2009 Mayr, 2016 Mayr, 1998 |
Zygodactyl birds originally thought to be relatives of woodpeckers, later research placed them as a sister group to the Passeriformes. Diet varies between species, with the type species likely being an insectivore while the larger Primozygodactylus mayor was found with grapes in its stomach. The wings were short and the legs long, indicating a maneuverable animal foraging in the undergrowth. At least in some species the central two tail feathers were greatly elongated and possibly used in display. | ![]() |
| Pseudasturidae | Pseudorasturidae indet. | Pseudorasturidae indet.[116] | A poorly preserved pseudasturid of smaller size than Serudaptus. It may be a different species of the same genus, a juvenile, a member of the opposite sex or a unique genus. | ||
| Psittacopedidae | Psittacopes | Psittacopes lepidus[126] | Mayr & Daniels, 1998 | A bird originally classified as a parrot, later research indicated that it may instead be closer to passeriforms. | |
| Psittacopedidae[84] | Pumiliornis | Pumiliornis tessellatus[127] | Mayr, 1999 | A bird the size of a small wren. | |
| Pseudasturidae | Serudaptus | Serudaptus pohli[116] | Mayr, 2000 | A bird with zygodactyl feet and long claws suited for climbing. Its exact phylogenetic position is poorly understood, with some research indicating it may be a basal member of the clade containing Passeriformes and Psittaciformes. | ![]() |
Incertae sedis
| Family | Genus | Species | Authority | Notes | Image |
|---|---|---|---|---|---|
| Eopachypterygidae | Eopachypteryx | Eopachypteryx praeterita
Eopachypteryx ? sp.[128] |
Mayr, 2015 | ||
| Incertae sedis | Lapillavis | Lapillavis incubarens[91] | Mayr, 2016 | ||
| Incertae sedis | Perplexicervix | Perplexicervix microcephalon[129] | Mayr, 2010 | The genus is named for the bony tubercles present on the cervical vertebrae. Although its relationship is not fully understood, it was found to not be a member of Idiornithidae and shared traits with Anhimidae and Cathartidae. |
Mammals
Apatotheria
| Family | Genus | Species | Authority | Notes | Image |
|---|---|---|---|---|---|
| Apatemyidae | Heterohyus | Heterohyus nanus[130] | Teilhard de Chardin, 1921 | A mammal with elongated fingers and strong teeth that resembles the modern aye-aye and likely filled a similar niche.[3] | ![]() |
Artiodactyla
| Family | Genus | Species | Authority | Notes | Image |
|---|---|---|---|---|---|
| Dichobunidae | Aumelasia | Aumelasia cf. gabineaudi[131] | Sudré, 1980 | A lightly built early artiodactyl with a noticeably long tail. Aumelasia is referred to the Diacodexeidae by some researchers.[45] | ![]() |
| Dichobunidae | Messelobunodon | Messelobunodon schaeferi[132] | Franzen, 1980 | An early species of even-toed ungulate. | ![]() |
| Choeropotamidae | Masillabune | Masillabune martini[133] | Tobien, 1980 | An early species of even-toed ungulate. | ![]() |
Chiroptera
| Family | Genus | Species | Authority | Notes | Image |
|---|---|---|---|---|---|
| Archaeonycteridae | Archaeonycteris | Archaeonycteris pollex[134]
Archaeonycteris trigonodon[135] |
Storch & Habersetzer, 1988
Revilliod, 1917 |
A basal genus among the Messel bats, Archaeonycteris resembles modern vesper bats in wing morphology and likely preferred more open spaces in the upper trunk areas to hunt. Stomach contents indicate a preference for beetles.[3] | ![]() |
| Hassianycterididae | Hassianycteris | Hassianycteris magna[136]
Hassianycteris messelensis[136] Hassianycteris? revilliodi[45] |
Smith & Storch, 1981
Smith & Storch, 1981 (Russell & Sigé, 1970) |
Hassianycteris was a somewhat heavy bat with narrow wings. Based on its anatomy, which resembles modern free-tailed bats, it was a fast flying animal hunting above the treetops.[3] | ![]() |
| Palaeochiropterygidae | Palaeochiropteryx | Palaeochiropteryx spiegeli[45]
Palaeochiropteryx tupaiodon[45] |
Revilliod, 1917 | The wing morphology of Palaeochiropteryx indicates that it flew slowly but agile relatively close to the ground to catch insects such as moths and butterflies.[3] | ![]() |
| Emballonuridae | Tachypteron | Tachypteron franzeni[137] | Storch, Sigé & Habersetzer, 2002 | A fast flying species that inhabited open airspaces, Tachypteron resembled the modern black-bearded tomb bat in proportions.[3] |
Cimolesta
| Family | Genus | Species | Authority | Notes | Image |
|---|---|---|---|---|---|
| Pantolestidae | Buxolestes | Buxolestes piscator
Buxolestes minor[138] |
Koenigswald 1980
Pfretzschner 1999 |
Buxolestes is a member of a basal group of mammals. The proportions of Buxolestes piscator are similar to modern otters and its stomach contents indicate a diet of fish and small vertebrates. B. minor shows adaptations towards digging and was found with plant material in its stomach, but likely also fed on various animals. | ![]() |
| Paroxyclaenidae | Kopidodon | Kopidodon macrognathus[3] | (Wittich, 1902) | Kopidodon was the first mammal discovered in Messel and grew to a length of 115 cm (45 in). It shows some adaptations towards a climbing lifestyle. | |
| Paroxyclaenidae | "Paroxyclaenus" | "Paroxyclaenus" sp.[45] | An undescribed relative of Kopidodon differing through the lack of a pronounced sagittal crest. |
Eulipotyphla
| Family | Genus | Species | Authority | Notes | Image |
|---|---|---|---|---|---|
| Amphilemuridae | Macrocranion | Macrocranion tenerum[139]
Macrocranion tupaiodon[140] |
Tobien, 1962
Weitzel, 1949 |
Macrocranion were small, likely nocturnal, animals living on the forest floor. M. tupaiodon reached a size of up to 30 cm (12 in) and was possibly omnivorous with woolly fur.[3] The smaller M. tenerum meanwhile was inferred to be insectivorous and covered in bristles. Some researchers suggest it may have moved like modern springhares.[3][141] | ![]() |
| Amphilemuridae | Pholidocercus | Pholidocercus hassiacus[142] | von Koenigswald & Storch, 1983 | A larger relative of Macrocranion, Pholidocercus was an animal 40 cm (16 in). Its proportions indicate that it was a quadrupedal animal that lived on the forest floor. The tail was covered in overlapping scales and the head was similarly covered in a hardened structure while the torso was covered in thick bristles.[3] |
Leptictida
| Family | Genus | Species | Authority | Notes | Image |
|---|---|---|---|---|---|
| Pseudorhyncocyonidae | Leptictidium | Leptictidium auderiense[45]
Leptictidium nasutum[143] Leptictidium tobieni[144] |
Tobien, 1962
Storch & Lister, 1985 Von Koenigswald & Storch, 1987 |
Known from Messel in the form of three species and multiple specimens, Leptictidium was a eutherian mammal of uncertain relationships. Its hindlimbs are noticeably larger than its forelimbs, but its means of locomotion are not agreed upon. |
Metatheria
| Family | Genus | Species | Authority | Notes | Image |
|---|---|---|---|---|---|
| Herpetotheriidae | Amphiperatherium | Amphiperatherium goethei[145]
Amphiperatherium cf. maximum[146] |
Crochet, 1979 | A metatherian mammal, it was larger than Peradectes but with a proportionally shorter tail. | |
| Herpetotheriidae | Herpetotheriidae indet. | Either Amphiperatherium or Peratherium.[45] | |||
| Peradectidae | "Peradectes" | "Peradectes sp."[146] | A small arboreal mammal similar to Peradectes with a prehensile tail. | ![]() |
Pan-Carnivora
| Family | Genus | Species | Authority | Notes | Image |
|---|---|---|---|---|---|
| Proviverridae | Lesmesodon | Lesmesodon behnkeae[147]
Lesmesodon edingeri[148] |
(Morlo & Habersetzer, 1999)
(Springhorn, 1982) |
Agile predators of the forest floor, at least one species (L. behnkeae) is known to have had a bushy tail. The exact position hyaenodontids like Lesmesodon have within mammals is debated. | ![]() |
| Miacidae | Messelogale | Messelogale kessleri[149] | (Springhorn, 1982)[148] | Originally thought to be a species of Miacis, it was elevated to its own genus in 2000. Unlike Lesmesodon it was an arboreal hunter. | |
| Miacidae | Paroodectes | Paroodectes feisti[150] | Springhorn, 1980 | An arboreal miacid. |
Pholidota
| Family | Genus | Species | Authority | Notes | Image |
|---|---|---|---|---|---|
| Eomanidae[151] | Eomanis | Eomanis waldi | Storch, 1978 | Eomanis is a more derived member of Pholidota than the contemporary genera found in Messel and already shows the classic scales this group is known for.[152] | ![]() |
| Euromanis | Euromanis krebsi[153] | (Storch & Martin, 1994) | A type of scaleless pangolin originally described as a species of Eomanis. | ![]() | |
| Eurotamanduidae | Eurotamandua | Eurotamandua joresi[154] | Storch, 1981 | Described as an anteater based on the enlarged claws and elongated skull, later research concluded that it was more likely to be a type of pangolin. | ![]() |
Perissodactyla
| Family | Genus | Species | Authority | Notes | Image |
|---|---|---|---|---|---|
| Palaeotheriidae | Eurohippus | Eurohippus parvulus[155]
Eurohippus messelensis[156] |
(Laurillard, 1849)
(Haupt, 1925) |
Originally species of Propalaeotherium and Lophiotherium, they were elevated to a distinct genus in 2006. Several specimens were preserved with their fetus, showing that they only carried a single foal. | |
| Hallensia | Hallensia matthesi[157] | Franzen & Haubold, 1986 | A small species of primitive horse. | ![]() | |
| Hyrachyidae | Hyrachyus | Hyrachyus minimus [158] | Fischer, 1829 | An early rhinoceratoid or tapir, its discovery played a rolle in making Messel a protected site. | ![]() |
| Palaeotheriidae | Propalaeotherium | Propalaeotherium hassiacum[159] | Haupt, 1925 | An early species of horse reaching a shoulder height of 55–60 cm (22–24 in), making it larger than Eurohippus. | ![]() |
Primates
| Family | Genus | Species | Authority | Notes | Image |
|---|---|---|---|---|---|
| Adapidae | Darwinius | Darwinius masillae[160] | Franzen et al., 2009 | An early primate known from a single specimen preserved in two slabs. The counterslab includes several elements fabricated to make it appear more complete. The classification of Darwinius has been subject to continued debate. | ![]() |
| Adapidae | Europolemur | Europolemur kelleri[161]
Europolemur koenigswaldi[161] |
Franzen, 2000
Franzen, 1987 |
An early primate primarily known from partial remains. One lower jaw was found in the coprolite of Buxolestes while another fossil was found with the tooth of a crocodile embedded into it.[3] | ![]() |
| Adapidae | Godinotia | Godinotia neglecta[162] | (Thalmann et al., 1989) | Preserved stomach contents of Godinotia suggest that it primarily fed on leaves and fruit.[163] | ![]() |
Rodentia
| Family | Genus | Species | Authority | Notes | Image |
|---|---|---|---|---|---|
|
Ailuravus macrurus[164] |
Weitzel, 1949 |
An arboreal rodent that resembles modern squirrels in proportion. |
![]() | ||
|
Eogliravus |
Eogliravus wildi[165] |
Hartenberger, 1971 |
The oldest known dormouse |
||
| Ischyromyidae | Masillamys |
Masillamys beegeri[166] |
|||
|
Masillamys krugi[166] |
|||||
|
Masillamys parvus[166] |
Tobien, 1954 |
M. parvus was sometimes placed in Hartenbergeromys,[3] |
|
References
- ^ Smith, Krister T.; Collinson, Margaret; Folie, Annelise; Haberesetzer, Jörg; Hennicke, Florian; Kothe, Erika; Lehmann, Thomas; Lenz, Olaf K.; Mayr, Gerald; Micklich, Norbert; Rabenstein, Renate; Racicot, Rachel; Schaal, Stephan F. K.; Smith, Thierry; Tosal, Aixa; Uhl, Dieter; Wappler, Torsten; Wedmann, Sonja; Wuttke, Michael (2024). "The biodiversity of the Eocene Messel Pit". Palaeobiodiversity and Palaeoenvironments. 104 (4): 859–940. doi:10.1007/s12549-024-00633-2.
- ^ a b c d Richter, G.; Baszio, S. (2009). "Geographic and stratigraphic distribution of spongillids (Porifera) and the leit value of spiculites in the Messel Pit Fossil Site". Palaeobio Palaeoenv. 89 (1–2): 53–66. doi:10.1007/s12549-009-0003-7. S2CID 129838426.
- ^ a b c d e f g h i j k l m n o p q r s t Gruber, G.; Micklich, N. (2007). Messel: Treasures of the Eocene. Hessisches Landesmuseum Darmstadt. ISBN 978-3-534-20456-4.
- ^ a b c Richter, G.; Wedmann, S. (2005). "Ecology of the Eocene Lake Messel revealed by analysis of small fish coprolites and sediments from a drilling core". Palaeogeography, Palaeoclimatology, Palaeoecology. 223 (1–2): 147–161. Bibcode:2005PPP...223..147R. doi:10.1016/j.palaeo.2005.04.002.
- ^ a b c de Mazancourt, V.; Wappler, T.; Wedmann, S. (2022-10-27). "Exceptional preservation of internal organs in a new fossil species of freshwater shrimp (Caridea: Palaemonoidea) from the Eocene of Messel (Germany)". Scientific Reports. 12 (1): 18114. Bibcode:2022NatSR..1218114D. doi:10.1038/s41598-022-23125-9. ISSN 2045-2322. PMC 9613706. PMID 36302944.
- ^ Wunderlich, J. (1986). "Die ersten Spinnen aus dem Mittel-Eozän der Grube Messel. Fossilfundstelle Messel, Nr. 49". Senckenbergiana Lethaea. 67 (1–4): 171–176.
- ^ a b Selden, P.; Wappler, T. (2019). "A new spider (Arachnida: Araneae) from the Middle Eocene Messel Maar, Germany". Palaeoentomology. 2 (6): 596–601. doi:10.11646/palaeoentomology.2.6.10.
- ^ a b Smith, K.T.; Schaal, S.F.K.; Habersetzer, J. (2018). "7 Jewels in the Oil Shale – Insects and Other Invertebrates". Messel-An Ancient Greenhouse Ecosystem. Senckenberg. pp. 67–69.
- ^ a b c d Legalov, A. (2020). "Fossil History of Curculionoidea (Coleoptera) from the Paleogene". Geosciences. 10 (9): 358. Bibcode:2020Geosc..10..358L. doi:10.3390/geosciences10090358.
- ^ a b c Alexander G. Kirejtshuk (2020). "Taxonomic review of fossil coleopterous families (Insecta, Coleoptera). Suborder Archostemata: Superfamilies Coleopseoidea and Cupedoidea". Geosciences. 10 (2) 73. Bibcode:2020Geosc..10...73K. doi:10.3390/geosciences10020073.
- ^ Tröster, G. (1999). "An unusual new fossil click-beetle (Coleoptera: Elateridae) from the Middle Eocene of the Grube Messel (Germany)". Neues Jahrbuch für Geologie und Paläontologie - Monatshefte. 1999: 11–20. doi:10.1127/njgpm/1999/1999/11.
- ^ a b c d e f Tröster, G. (1994). "Neue Arten der Gattung Macropunctum (Insecta, Coleoptera, Elateridae) aus der Olschieferfazies der mitteleozänen Messelformation der Grube Messel bei Darmstadt". PalZ. 68 (1–2): 145–162. doi:10.1007/bf02989437. S2CID 127993355.
- ^ Chalumeau, F.; Brochier, B. (2001). "Une forme fossile nouvelle de Chiasognathinae : Protognathinus spielbergi(Coleoptera, Lucanidae)" (PDF). Lambillionea. 101: 593–595.
- ^ Wedmann, S.; Hörnschemeyer, T.; Schmied, H. (2011). "Fossil water-penny beetles (Coleoptera: Psephenidae: Eubrianacinae) from the Eocene of Europe, with remarks on their phylogenetic position and biogeography". Palaeontology. 54 (5): 965–980. Bibcode:2011Palgy..54..965W. doi:10.1111/j.1475-4983.2011.01088.x. S2CID 140733555.
- ^ Nabozhenko, M. (2019). "The fossil record of darkling beetles (Insecta: Coleoptera: Tenebrionidae)". Geosciences. 9 (12): 12. Bibcode:2019Geosc...9..514N. doi:10.3390/geosciences9120514.
- ^ Šmídová, L.; Vidlička, L.; Wedmann, S. (2021). "Appearance of the family Blaberidae (Insecta: Blattaria) during the Cretaceous and a review of fossils of this family". Palaeontographica Abteilung A. 321 (1–6): 71–79. doi:10.1127/pala/2021/0109. S2CID 243467634.
- ^ a b c Skartveit, J.; Wedmann, S. (2015). "Fossil Bibionidae (Insecta: Diptera) from the Eocene of Grube Messel, Germany" (PDF). Stud Dipterol. 22: 77–83.
- ^ Wedmann, S.; Yeates, D.K. (2008). "Eocene records of bee flies (Insecta, Diptera, Bombyliidae, Comptosia): their palaeobiogeographic implications and remarks on the evolutionary history of bombyliids". Palaeontology. 51 (1): 231–240. Bibcode:2008Palgy..51..231W. doi:10.1111/j.1475-4983.2007.00745.x. S2CID 128576916.
- ^ Wedmann, S.; Richter, G. (2007). "The ecological role of immature phantom midges (Diptera: Chaoboridae) in the Eocene Lake Messel, Germany". African Invertebrates. 48 (1): 59–70.
- ^ Wedmann, S.; Hörnschemeyer, T.; Engel, M. S.; Zetter, R.; Grímsson, F. (2021). "The last meal of an Eocene pollen-feeding fly". Current Biology. 31 (9): 2020–2026.e4. Bibcode:2021CBio...31E2020W. doi:10.1016/j.cub.2021.02.025. PMID 33705719.
- ^ a b c Torsten Wappler; Ernst Heiss; Sonja Wedmann (2015). "New flatbug (Hemiptera: Heteroptera: Aradidae) records from the Middle Eocene Messel Maar, Germany". Paläontologische Zeitschrift. 89 (3): 653–660. Bibcode:2015PalZ...89..653W. doi:10.1007/s12542-014-0237-1. S2CID 83668045.
- ^ a b c Szwedo, J.; Wappler, T. (2006). "New planthoppers (Insecta: Hemiptera: Fulgoromorpha) from the Middle Eocene Messel Maar". Annales Zoologici. 56 (3): 555–566. doi:10.3161/000345406778811907 (inactive 4 July 2025).
{{cite journal}}: CS1 maint: DOI inactive as of July 2025 (link) - ^ Wedmann, S.; Kment, P.; Campos, L. A.; Hörnschemeyer, T. (2021). "Bizarre morphology in extinct Eocene bugs (Heteroptera: Pentatomidae)". Royal Society Open Science. 8 (12) 211466. Bibcode:2021RSOS....811466W. doi:10.1098/rsos.211466. PMC 8652274. PMID 34909219.
- ^ a b c Wappler, T. (2003). "New fossil lace bugs (Heteroptera: Tingidae) from the Middle Eocene of the Grube Messel (Germany), with a catalog of fossil lace bugs". Zootaxa. 374: 1–26. doi:10.11646/zootaxa.374.1.1.
- ^ Wappler, T. (2006). "Lutetiacader, a puzzling new genus of cantacaderid lace bugs (Heteroptera: Tngidae) from the Middle Eocene Messel Maar, Germany". Palaeontology. 49 (2): 435–444. Bibcode:2006Palgy..49..435W. doi:10.1111/j.1475-4983.2006.00547.x. S2CID 86692157.
- ^ a b Wappler, T.; Engel, M. (2003). "The middle Eocene bee faunas of Eckfeld and Messel, Germany (Hymenoptera: Apoidea)". Journal of Paleontology. 77 (5): 908–921. Bibcode:2003JPal...77..908W. doi:10.1017/S0022336000044760. JSTOR 4094762.
- ^ Dlussky, G.M. (2012). "New Fossil Ants of the Subfamily Myrmeciinae (Hymenoptera, Formicidae) from Germany". Paleontological Journal. 46 (3): 288–292. Bibcode:2012PalJ...46..288D. doi:10.1134/s0031030111050054. S2CID 83891156.
- ^ a b c d e f g h i j k l m n o p q r s t u v Dlussky, G.M.; Wedmann, S. (2012). "The poneromorph ants (Hymenoptera, Formicidae: Amblyoponinae, Ectatomminae, Ponerinae) of Grube Messel, Germany: High biodiversity in the Eocene". Journal of Systematic Palaeontology. 10 (4): 725–753. Bibcode:2012JSPal..10..725D. doi:10.1080/14772019.2011.628341. S2CID 83928415. – via Taylor & Francis (subscription required)
- ^ Dlussky, GM; Wappler, T; Wedmann, S (2009). "Fossil ants of the genus Gesomyrmex Mayr (Hymenoptera, Formicidae) from the Eocene of Europe and remarks on the evolution of arboreal ant communities". Zootaxa. 2031: 1–20. doi:10.11646/zootaxa.2031.1.1. S2CID 56253714.
- ^ Dlussky, G.M.; Rasnitsyn, A.P.; Perfilieva, K.S. (2015). "The Ants (Hymenoptera: Formicidae) of Bol'shaya Svetlovodnaya (Late Eocene of Sikhote-Alin, Russian Far East)". Caucasian Entomological Bulletin. 11 (1): 131–152. doi:10.23885/1814-3326-2015-11-1-131-152.
- ^ a b Archibald, S. Bruce; Johnson, Kirk R.; Mathewes, Rolf W.; Greenwood, David R. (2011). "Intercontinental dispersal of giant thermophilic ants across the Arctic during early Eocene hyperthermals". Proceedings of the Royal Society B. 278 (1725): 3679–3686. doi:10.1098/rspb.2011.0729. PMC 3203508. PMID 21543354.
- ^ a b c d e f g Tamara Spasojevic; Sonja Wedmann; Seraina Klopfstein (2018). "Seven remarkable new fossil species of parasitoid wasps (Hymenoptera, Ichneumonidae) from the Eocene Messel Pit". PLOS ONE. 13 (6): e0197477. Bibcode:2018PLoSO..1397477S. doi:10.1371/journal.pone.0197477. PMC 5991363. PMID 29874268.
- ^ Wedmann, S.; Pouillon, J.; Nel, A. (2014). "New Palaeogene horntail wasps (Hymenoptera, Siricidae) and a discussion of their fossil record". Zootaxa. 3869 (1): 33–43. doi:10.11646/zootaxa.3869.1.3. PMID 25283896.
- ^ Abels, J.; Wedmann, S. (2021). "A fossil wasp (Hymenoptera: Vespidae: Vespula? hassiaca) from the Eocene of Messel". Palaeontographica Abteilung A. 323 (1–3): 105–117. doi:10.1127/pala/2021/0122. S2CID 245248645.
- ^ McNamara, M.; Briggs, D.; Orr, P.; Wedmann, S.; Noh, H.; Cao, H. (2011). "Fossilized biophotonic nanostructures reveal the original colors of 47-million-year-old moths". PLOS Biology. 9 (11): 1–8. doi:10.1371/journal.pbio.1001200. PMC 3217029. PMID 22110404.
- ^ Wedmann, S.; Makarkin, V. (2007). "A new genus of Mantispidae (Insecta: Neuroptera) from the Eocene of Germany, with a review of the fossil record and palaeobiogeography of the family". Zoological Journal of the Linnean Society. 149 (4): 701–716. doi:10.1111/j.1096-3642.2007.00273.x. S2CID 13701556.
- ^ a b Romain Garrouste; André Nel (2015). "New Eocene damselflies and first Cenozoic damsel-dragonfly of the isophlebiopteran lineage (Insecta: Odonata)". Zootaxa. 4028 (3): 354–366. doi:10.11646/zootaxa.4028.3.2. PMID 26624314.
- ^ a b Kasalo, N.; Skejo, J.; Tumbrinck, J.; Wedmann, S.; Husemann, M. (2024). "Two new fossil Tetrigidae (Insecta: Orthoptera: Caelifera) from the Grube Messel (Germany)". Palaeobiodiversity and Palaeoenvironments. 104 (4): 941–947. doi:10.1007/s12549-024-00634-1.
- ^ Wedmann, S.; Bradler, S; Rust, J. (9 January 2007). "The first fossil leaf insect: 47 million years of specialized cryptic morphology and behavior". Proceedings of the National Academy of Sciences. 104 (2): 565–9. Bibcode:2007PNAS..104..565W. doi:10.1073/pnas.0606937104. PMC 1766425. PMID 17197423.
- ^ Micklich, N.; Mentges, S. (2012). "Fin ray fractures in messel fishes". Kaupia: Darmstädter Beiträge zur Naturgeschichte. 18: 19–27.
- ^ Grande, Lance (2010). "An empirical synthetic pattern study of gars (Lepisosteiformes) and closely related species, based mostly on skeletal anatomy. The resurrection of Holostei". Ichthyology & Herpetology. 10.
- ^ Micklich, N.; Klappert, G. (2004). "Character variation in some Messel fishes". Mesozoic Fishes 3: 137–163.
- ^ Micklich, N.; Klappert, G. (2001). "Masillosteus kelleri, a new gar (Actinopterygii, Lepisosteidae) from the middle Eocene of Grube Messel (Hessen, Germany)". Kaupia. 11: 73–81.
- ^ Micklich, N. (1978). "Palaeoperca proxima, ein neuer Knochenfisch aus dem Mittel-Eozän von Messel bei Darmstadt".
{{cite journal}}: Cite journal requires|journal=(help) - ^ a b c d e f g h i j k Morlo, M.; Schaal, S.; Mayr, G.; Seiffert, C. (2004). "An annotated taxonomic list of the Middle Eocene (MP 11) Vertebrata of Messel" (PDF). Courier Forschungsinstitut Senckenberg: 95–108.
- ^ a b Weitzel, K. (1933). "Amphiperca multiformis ngn sp. und Thaumaturus intermedius n. sp., Knochenfische aus dem Mitteleozän von Messel". Notizblatt des Hessischen Vereins für Erdkunde und der Hessischen Geologischen Landesanstalt zu Darmstadt. 5 (14): 89–97.
- ^ Gaudant, J.; Micklich, N. (1990). "Rhenanoperca minuta nov. gen., nov. sp., ein neuer Percoide (Pisces, Perciformes) aus der Messel-Formation (Mittel-Eozän, Unteres Geiseltalium)". Paläontologische Zeitschrift. 64 (3): 269–286. doi:10.1007/BF02985719. S2CID 82717028.
- ^ Micklich, N.; Arratia, G. (2020). "The enigmatic teleostean fish, Thaumaturus intermedius Weitzel, 1933 from the Eocene of Lake Messel (Hessen, S Germany). Part I: Anatomy and taxonomy revised". Palaeontographica Abteilung A. 323 (1–3): 1. Bibcode:2022PalAA.323....1M. doi:10.1127/pala/2022/0125.
- ^ Westphal, F. (1980). "Chelotriton robustus n. sp., ein Salamandride aus dem Eozän der Grube Messel bei Darmstadt". Senckenbergiana Lethaea. 60 (4/6): 475–487.
- ^ Smith, K.T.; Schaal, S.F.K.; Habersetzer, J. (2018). "9 Amphibians in Messel - in the Water and on Land". Messel-An Ancient Greenhouse Ecosystem. Senckenberg. pp. 123–147.
- ^ Wuttke, M. (1996). Die eozänen Frösche von Messel (PDF).
- ^ Roček, Z.; Wuttke, M.; Gardner, J. D.; Singh Bhullar, B.-A. (2014). "The Euro-American genus Eopelobates, and a re-definition of the family Pelobatidae (Amphibia, Anura). Palaeobiodiversity and Palaeoenvironments". 94 (4): 529–567. Bibcode:2014PdPe...94..529R. doi:10.1007/s12549-014-0169-5. S2CID 86195679.
{{cite journal}}: Cite journal requires|journal=(help) - ^ Wuttke, M. (2012). "Redescription of the Middle Eocene frog Lutetiobatrachus gracilis WUTTKE in SANCHIZ, 1998 (Lower Geiseltalian, »GrubeMessel«, near Darmstadt, southern Hesse, Germany)". Kaupia. 18: 29–41.
- ^ Sullivan, R.M.; Habersetzer, J. (1999). "Middle Eocene (Geiseltalian) anguid lizards from Geiseltal and Messel, Germany. 1. Ophisauriscus quadrupes Kuhn 1940. Systematics and taphonomy". CFS Courier Forschungsinstitut Senckenberg. 216: 97–129.
- ^ Sullivan, R.M. (2019). "The taxonomy, chronostratigraphy and paleobiogeography of glyptosaurine lizards (Glyptosaurinae, Anguidae)". Comptes Rendus Palevol. 18 (7): 747–763. Bibcode:2019CRPal..18..747S. doi:10.1016/j.crpv.2019.05.006. S2CID 202174449.
- ^ Scanferla, A.; Smith, K.T. (2020). "Exquisitely Preserved Fossil Snakes of Messel: Insight into the Evolution, Biogeography, Habitat Preferences and Sensory Ecology of Early Boas". Diversity. 12 (3): 100. doi:10.3390/d12030100. hdl:11336/145425.
- ^ a b Agustín Scanferla; Krister T. Smith; Stephan F. K. Schaal (2016). "Revision of the cranial anatomy and phylogenetic relationships of the Eocene minute boas Messelophis variatus and Messelophis ermannorum (Serpentes, Booidea)". Zoological Journal of the Linnean Society. 176 (1): 182–206. doi:10.1111/zoj.12300. hdl:11336/77086.
- ^ Smith, K.T. (2009). "Eocene Lizards of the Clade Geiseltaliellus from Messel and Geiseltal, Germany, and the Early Radiation of Iguanidae (Reptilia: Squamata)". Bulletin of the Peabody Museum of Natural History. 50 (2): 219–306. doi:10.3374/014.050.0201. S2CID 84085505.
- ^ Müller, J. (2001). "Osteology and relationships of Eolacerta robusta, a lizard from the Middle Eocene of Germany (Reptilia, Squamata)". Journal of Vertebrate Paleontology. 21 (2): 261–278. doi:10.1671/0272-4634(2001)021[0261:oaroer]2.0.co;2. S2CID 86300545.
- ^ Čerňanský, A.; Smith, K. T. (2017). "Eolacertidae: a new extinct clade of lizards from the Palaeogene; with comments on the origin of the dominant European reptile group – Lacertidae". Historical Biology. 30 (7): 994–1014. doi:10.1080/08912963.2017.1327530. S2CID 49546941.
- ^ Smith, K. T.; Scanferla, A. (2021). "A nearly complete skeleton of the oldest definitive erycine boid (Messel, Germany)". Geodiversitas. 43 (1): 1–24. doi:10.5252/geodiversitas2021v43a1. S2CID 231666355.
- ^ a b c d Smith, K.T.; Čerňanský, A.; Scanferla, A. (2018). "10.1 Lizards and snakes-Warmth-loving sunbathers". Messel-An Ancient Greenhouse Ecosystem. Senckenberg. pp. 123–147.
- ^ Cadena, E. (2016). "Microscopical and elemental FESEM and Phenom ProX-SEM-EDS analysis of osteocyte- and blood vessel-like microstructures obtained from fossil vertebrates of the Eocene Messel Pit, Germany". PeerJ. 4 e1618. doi:10.7717/peerj.1618. PMC 4727973. PMID 26819855.
- ^ Müller, Johannes; Christy A. Hipsley; Jason J. Head; Nikolay Kardjilov; André Hilger; Michael Wuttke; Robert R. Reisz (2011). "Eocene lizard from Germany reveals amphisbaenian origins". Nature. 473 (7347): 364–367. Bibcode:2011Natur.473..364M. doi:10.1038/nature09919. PMID 21593869. S2CID 205224382.
- ^ Zaher, H.; Smith, K. T. (2020). "Pythons in the Eocene of Europe reveal a much older divergence of the group in sympatry with boas". Biology Letters. 16 (12). doi:10.1098/rsbl.2020.0735. PMC 7775975. PMID 33321065.
- ^ Smith, K. T.; Scanferla, A. (2022). "More than one large constrictor snake lurked around paleolake Messel". Palaeontographica Abteilung A. 323 (1–3): 75–103. Bibcode:2022PalAA.323...75S. doi:10.1127/pala/2021/0119. S2CID 245089117.
- ^ Smith, K. T.; Habersetzer, J. (2021). "The anatomy, phylogenetic relationships, and autecology of the carnivorous lizard "Saniwa" feisti Stritzke, 1983 from the Eocene of Messel, Germany". Comptes Rendus Palevol. 20 (23): 441–506. doi:10.5852/cr-palevol2021v20a23.
- ^ Smith, K. T. (2017). "First crocodile-tailed lizard (Squamata: Pan-Shinisaurus) from the Paleogene of Europe". Journal of Vertebrate Paleontology. 37 (3): e1313743. Bibcode:2017JVPal..37E3743S. doi:10.1080/02724634.2017.1313743. S2CID 89730027.
- ^ Weber, S. (2004). "Ornatocephalus metzleri gen. et spec. nov. (Lacertilia, Scincoida) - Taxonomy and Paleobiology of a basal Scincoid Lizard from the Messel Formation (Middle Eocene: basal Lutetian, Geiseltalium), Germany". Abhandlungen der Senckenbergischen Naturforschenden Gesellschaft. 561. ISBN 978-3-510-61373-1.
- ^ Joyce, W.G.; Micklich, N.; Schaal, S.F.K.; Scheyer, T.M. (2012). "Caught in the act: the first record of copulating fossil vertebrates". Biology Letters. 8 (5): 846–848. doi:10.1098/rsbl.2012.0361. PMC 3440985. PMID 22718955. S2CID 478288.
- ^ a b Hervet, S. (2004). "Systématique du groupe "Palaeochelys sensu lato – Mauremys" (Chelonii, Testudinoidea) du Tertiaire d'Europe occidentale: principaux résultats". Annales de Paléontologie. 90 (1): 13–78. doi:10.1016/j.annpal.2003.12.002. ISSN 0753-3969.
- ^ a b Ascarrunz, E.; Claude, J.; Joyce, WG. (2021). "The phylogenetic relationships of geoemydid turtles from the Eocene Messel Pit Quarry: a first assessment using methods for continuous and discrete characters". PeerJ. 9 e11805. doi:10.7717/peerj.11805. PMC 8349520. PMID 34430073.
- ^ Cadena, E. (2015). "A global phylogeny of Pelomedusoides turtles with new material of Neochelys franzeni Schleich, 1993 (Testudines, Podocnemididae) from the middle Eocene, Messel Pit, of Germany". PeerJ. 3: e1221. doi:10.7717/peerj.1221. PMC 4556147. PMID 26336649.
- ^ Schleich, H. H. (1993). "New reptile material from the German Tertiary. 11. Neochelys franzeni n. sp., the first pleurodiran turtle from Messel". Kaupia. 3: 15–21.
- ^ Cadena, E. (2016). "Palaeoamyda messeliana nov. comb. (Testudines, Pan-Trionychidae) from the Eocene Messel Pit and Geiseltal localities, Germany, taxonomic and phylogenetic insights". PeerJ. 4 e2647. doi:10.7717/peerj.2647. PMC 5088588. PMID 27812431. S2CID 37745074.
- ^ Delfino, M.; Smith, T. (2012). "Reappraisal of the morphology and phylogenetic relationships of the middle Eocene alligatoroid Diplocynodon deponiae (Frey, Laemmert, and Riess, 1987) based on a three-dimensional specimen". Journal of Vertebrate Paleontology. 32 (6): 1358–1369. doi:10.1080/02724634.2012.699484. S2CID 84977303.
- ^ Weitzel, K. (1935). "Hassiacosuchus haupti n. g n. s. ein durophages Krokodil aus dem Mitteleozän von Messel". Notizblatt des Vereins für Erdkunde und der hessischen geologischen Landesanstalt zu Darmstadt. 16: 40–49.
- ^ Brochu, Christopher A. (2004). "Alligatorine phylogeny and the status of Allognathosuchus Mook, 1921". Journal of Vertebrate Paleontology. 24 (4): 857–873. doi:10.1671/0272-4634(2004)024[0857:APATSO]2.0.CO;2. ISSN 0272-4634. S2CID 85050852.
- ^ Rossmann, T.; Rauhe, M.; Ortega, F. (2000). "Studies on Cenozoic crocodiles: 8. Bergisuchus dietrichbergi Kuhn (Sebecosuchia: Bergisuchidae n. fam.) from the Middle Eocene of Germany, some new systematic and biological conclusions". Paläontologische Zeitschrift. 74 (3): 379–392. doi:10.1007/BF02988108. S2CID 129507618.
- ^ Delfino, M.; Smith, T. (2009). "A reassessment of the morphology and taxonomic status of 'Crocodylus'depressifronsBlainville, 1855 (Crocodylia, Crocodyloidea) based on the Early Eocene remains from Belgium". Zoological Journal of the Linnean Society. 156: 140–167. doi:10.1111/j.1096-3642.2008.00478.x.
- ^ Brochu, C. A. (2013). "Phylogenetic relationships of Palaeogene ziphodont eusuchians and the status of Pristichampsus Gervais, 1853". Earth and Environmental Science Transactions of the Royal Society of Edinburgh. 103 (3–4): 521–550. doi:10.1017/S1755691013000200. S2CID 128920027.
- ^ Rossmann, T. (2002). "Studies on Cenozoic Crocodiles: 10. First Evidence of a Tomistomid Crocodilian (Eusuchia: Tomistomidae) from the Middle Eocene (Geiseltalien, MP11) of Grube Messel, Germany". Neues Jahrb. Geol. Paläontol. Monatsh. 2002 (3): 129–146. doi:10.1127/njgpm/2002/2002/129.
- ^ Mayr, Gerald; Smith, Krister (2025-06-25). "A remarkable beak morphology in a bird skull from the Eocene of Messel (Germany) signifies unusual feeding specializations". Royal Society Open Science. 12 (6). doi:10.1098/rsos.250620. ISSN 2054-5703.
- ^ a b c d Mayr, G. (2017). "The early Eocene birds of the Messel fossilsite: a 48 million-year-old bird community adds a temporal perspective to the evolution of tropical avifaunas". Biol. Rev. 92 (2): 1174–1188. doi:10.1111/brv.12274. PMID 27062331. S2CID 3464510.
- ^ Mayr, G. (2008). "First substantial Middle Eocene record of the Lithornithidae (Aves): A postcranial skeleton from Messel (Germany)". Annales de Paléontologie. 94 (1): 29–37. doi:10.1016/j.annpal.2007.12.004.
- ^ Mayr, G. (2014). "The middle Eocene European "ratite" Palaeotis (Aves, Palaeognathae) restudied once more". Paläontologische Zeitschrift. 89 (3): 503–514. doi:10.1007/s12542-014-0248-y. S2CID 83787063.
- ^ Hellmund M (2013). "Reappraisal of the bone inventory of Gastornis geiselensis (Fischer, 1978) from the Eocene Geiseltal Fossillagerstatte (Saxony-Anhalt, Germany)". Neues Jahrbuch für Geologie und Paläontologie, Abhandlungen. 269 (2): 203–220. doi:10.1127/0077-7749/2013/0345.
- ^ Angst D.; Lécuyer C.; Amiot R.; Buffetaut E.; Fourel F.; Martineau F.; Legendre S.; Abourachid A.; Herrel A. (2014). "Isotopic and anatomical evidence of an herbivorous diet in the Early Tertiary giant bird Gastornis. Implications for the structure of Paleocene terrestrial ecosystems". Naturwissenschaften. 101 (4): 313–322. Bibcode:2014NW....101..313A. doi:10.1007/s00114-014-1158-2. PMID 24563098. S2CID 18518649.
- ^ Mayr, Gerald (2006). "New specimens of the early Eocene stem group galliform Paraortygoides (Gallinuloididae), with comments on the evolution of a crop in the stem lineage of Galliformes". Journal of Ornithology. 147 (1): 31–37. Bibcode:2006JOrni.147...31M. doi:10.1007/s10336-005-0006-8. S2CID 30402641.
- ^ Mayr, G. (2014). "The Eocene Juncitarsus – its phylogenetic position and significance for the evolution and higher-level affinities of flamingos and grebes". Comptes Rendus Palevol. 13 (1): 9–18. Bibcode:2014CRPal..13....9M. doi:10.1016/j.crpv.2013.07.005. ISSN 1631-0683.
- ^ a b Mayr, G. (2016). "Fragmentary but distinctive: three new avian species from the early Eocene of Messel, with the earliest record of medullary bone in a Cenozoic bird". Neues Jahrbuch für Geologie und Paläontologie - Abhandlungen. 279 (3): 273–286. doi:10.1127/njgpa/2016/0555.
- ^ a b Gerald, M. (2004). "New specimens of Hassiavis laticauda (Aves: Cypselomorphae) and Quasisyndactylus longibrachis (Aves: Alcediniformes) from the Middle Eocene of Messel, Germany" (PDF). Cour. Forsch.-Inst. Senckenberg. 252: 23–28.
- ^ a b Mayr, G. (2001). "Comments on the osteology of Masillapodargus longipes Mayr 1999 and Paraprefica major Mayr 1999, caprimulgiform birds from the Middle Eocene of Messel (Hessen, Germany)". Neues Jahrbuch für Geologie und Paläontologie - Monatshefte. 2001 (2): 65–76. doi:10.1127/njgpm/2001/2001/65.
- ^ Mayr, G. (2003). "A new Eocene swift-like bird with a peculiar feathering". Ibis. 145 (3): 382–391. doi:10.1046/j.1474-919x.2003.00168.x.
- ^ Mayr, G. (2005). "Fossil hummingbirds in the Old World" (PDF). Biologist. 52 (1): 12–16.
- ^ Mayr, G. (2005). "The Palaeogene Old World potooParapreficaMayr, 1999 (Aves, Nyctibiidae): Its osteology and affinities to the New World Preficinae Olson, 1987". Journal of Systematic Palaeontology. 3 (4): 359–370. Bibcode:2005JSPal...3..359M. doi:10.1017/s1477201905001653. S2CID 85093005.
- ^ Gerald, M. (2005). "A New Cypselomorph Bird from the Middle Eocene of Germany and the Early Diversification of Avian Aerial Insectivores". The Condor. 107 (2): 342–352. doi:10.1093/condor/107.2.342.
- ^ Mayr, G. (2015). "Skeletal morphology of the middle Eocene swift Scaniacypselus and the evolutionary history of true swifts (Apodidae)". J Ornithol. 156 (2): 441–450. Bibcode:2015JOrni.156..441M. doi:10.1007/s10336-014-1142-9. S2CID 14282557.
- ^ Mayr, G. (2017). "A small, "wader-like" bird from the Early Eocene of Messel (Germany)". Annales de Paléontologie. 103 (2): 141–147. Bibcode:2017AnPal.103..141M. doi:10.1016/j.annpal.2017.01.001.
- ^ Morlo, M. (2004). "Diet of Messelornis (Aves: Gruiformes), an Eocene bird from Germany" (PDF). Courier Forschungsinstitut Senckenberg. 252: 29–33.
- ^ Mayr, G. (2002). "A skull of a new pelecaniform bird from the Middle Eocene of Messel, Germany". Acta Palaeontologica Polonica. 47 (3).
- ^ Mayr, G. (2002). "A contribution to the osteology of the Middle Eocene ibis Rhynchaeites messelensis (Aves: Threskiornithidae: Rhynchaeitinae nov. subfam.)". Neues Jahrbuch für Geologie und Paläontologie - Monatshefte. 2002 (8): 501–512. doi:10.1127/njgpm/2002/2002/501.
- ^ Peters, D.S. (1992). "A new species of owl (Aves:Strigiformes) from the Middle Eocene Messel oil shale" (PDF). Papers in Avian Paleontology Honoring Pierce Brodkorp. 36: 161–169.
- ^ Mayr, G. (2005). "A new eocene Chascacocolius-like mousebird (Aves: Coliiformes) with a remarkable gaping adaptation". Organisms Diversity & Evolution. 5 (3): 167–171. Bibcode:2005ODivE...5..167M. doi:10.1016/j.ode.2004.10.013.
- ^ Mayr, G.; Mourer-Chauviré, C. (2000). "Rollers (Aves: Coraciiformes s.s.) from the Middle Eocene of Messel (Germany) and the Upper Eocene of the Quercy (France)". Journal of Vertebrate Paleontology. 20 (3): 533–546. doi:10.1671/0272-4634(2000)020[0533:racssf]2.0.co;2. S2CID 56065258.
- ^ Babarović, F.; Puttick, M. N.; Zaher, M.; Learmonth, E.; Gallimore, E.-J.; Smithwick, F. M.; Mayr, G.; Vinther, J. (2019). "Characterization of melanosomes involved in the production of non-iridescent structural feather colours and their detection in the fossil record". Journal of the Royal Society Interface. 16 (155). doi:10.1098/rsif.2018.0921. PMC 6597762. PMID 31238836. S2CID 195352503.
- ^ a b Mayr, G.; Peters, D. S. (1998). "The mousebirds (Aves: Coliiformes) from the Middle Eocene of Grube Messel (Hessen, Germany)". Senckenbergiana Lethaea. 78 (1–2): 179–197. doi:10.1007/bf03042768. S2CID 82480792.
- ^ Mayr, G. (2001). "A New Specimen of the Tiny Middle Eocene Bird Gracilitarsus Mirabilis (New Family: Gracilitarsidae)". The Condor. 103 (1): 78–84. doi:10.1093/condor/103.1.78.
- ^ Mayr, G. (2009). "A well-preserved second trogon skeleton (Aves, Trogonidae) from the middle Eocene of Messel, Germany". Palaeobiodiversity and Palaeoenvironments. 89 (1–2): 1–6. Bibcode:2009PdPe...89....1M. doi:10.1007/s12549-009-0001-9. S2CID 73722121.
- ^ Mayr, G. (2000). "Tiny Hoopoe-Like Birds From the Middle Eocene of Messel (Germany)". The Auk. 117 (4): 964–970. doi:10.1093/auk/117.4.964.
- ^ a b Mayr, G. (2006). "New specimens of the Eocene Messelirrisoridae (Aves: Bucerotes), with comments on the preservation of uropygial gland waxes in fossil birds from Messel and the phylogenetic affinities of Bucerotes". Paläontol. Z. 80 (4): 390–405. doi:10.1007/BF02990211. S2CID 51778381.
- ^ Weidig, I. (2006). "The first New World occurrence of the Eocene birdPlesiocathartes (Aves: ?Leptosomidae)". Paläontologische Zeitschrift. 80 (3): 230–237. doi:10.1007/bf02988439. S2CID 140684204.
- ^ Mayr, G.; Mourer-Chauviré, C.; Weidig, I. (2004). "Osteology and systematic position of the eocene primobucconidae (aves, coraciiformes sensu stricto), with first records from Europe". Journal of Systematic Palaeontology. 2 (1): 1–12. Bibcode:2004JSPal...2....1M. doi:10.1017/S1477201903001093. S2CID 34962540.
- ^ Mayr, G. (2001). "New specimens of the Middle Eocene fossil mousebird Selmes absurdipes Peters 1999". Ibis. 143 (4): 427–434. doi:10.1111/j.1474-919x.2001.tb04943.x.
- ^ Jarvis, E. D.; Mirarab, S.; Aberer, A. J.; Li, B.; Houde, P.; Li, C.; Ho, S. Y. W.; Faircloth, B. C.; Nabholz, B.; Howard, J. T.; Suh, A.; Weber, C. C.; Da Fonseca, R. R.; Li, J.; Zhang, F.; Li, H.; Zhou, L.; Narula, N.; Liu, L.; Ganapathy, G.; Boussau, B.; Bayzid, M. S.; Zavidovych, V.; Subramanian, S.; Gabaldon, T.; Capella-Gutierrez, S.; Huerta-Cepas, J.; Rekepalli, B.; Munch, K.; et al. (2014). "Whole-genome analyses resolve early branches in the tree of life of modern birds" (PDF). Science. 346 (6215): 1320–1331. Bibcode:2014Sci...346.1320J. doi:10.1126/science.1253451. hdl:10072/67425. PMC 4405904. PMID 25504713. Archived from the original (PDF) on 2015-02-24. Retrieved 2015-08-29.
- ^ a b c Mayr, G. (2000). "New or previously unrecorded avian taxa from the Middle Eocene of Messel (Hessen, Germany)". Foss. Rec. 3: 207–219. doi:10.1002/mmng.20000030110.
- ^ Mourer-Chauviré, Cécile (2013). "Idiornis Oberholser, 1899 (Aves, Gruiformes, Cariamae, Idiornithidae): a junior synonym of Dynamopterus Milne-Edwards, 1892 (Paleogene, Phosphorites du Quercy, France)". Neues Jahrbuch für Geologie und Paläontologie, Abhandlungen. 270 (1): 13–22. doi:10.1127/0077-7749/2013/0355.
- ^ Mayr, G. (2002). "A new specimen ofSalmila robusta (Aves: Gruiformes: Salmilidae n. fam.) from the Middle Eocene of Messel". Paläontologische Zeitschrift. 76 (2): 305–316. Bibcode:2002PalZ...76..305M. doi:10.1007/BF02989866. S2CID 84345501.
- ^ Mayr, G.; Richter, G. (2011). "Exceptionally preserved plant parenchyma in the digestive tract indicates a herbivorous diet in the Middle Eocene bird Strigogyps sapea (Ameghinornithidae)". Paläontologische Zeitschrift. 85 (3): 303–307. doi:10.1007/s12542-010-0094-5. S2CID 84479974.
- ^ Mayr, G. (2006). "A new raptorial bird from the Middle Eocene of Messel, Germany". Historical Biology. 18 (2): 99–106. doi:10.1080/08912960600640762. S2CID 34895565.
- ^ Mayr, G. (2009). "A well-preserved skull of the "falconiform" bird Masillaraptor from the middle Eocene of Messel (Germany)" (PDF). Palaeodiversity. 2: 315–320.
- ^ Mayr, Gerald (2021-06-01). "A partial skeleton of a new species of Tynskya Mayr, 2000 (Aves, Messelasturidae) from the London Clay highlights the osteological distinctness of a poorly known early Eocene "owl/parrot mosaic"". PalZ. 95 (2): 337–357. doi:10.1007/s12542-020-00541-8. ISSN 1867-6812.
- ^ Waterhouse, D. M. (2006). "Parrots in a nutshell: The fossil record of Psittaciformes (Aves)". Historical Biology. 18 (2): 227–238. doi:10.1080/08912960600641224. S2CID 83664072.
- ^ a b c d e Mayr, G. (2016). "New species of Primozygodactylus from Messel and the ecomorphology and evolutionary significance of early Eocene zygodactylid birds (Aves, Zygodactylidae)". Historical Biology. 29 (7): 875–884. doi:10.1080/08912963.2016.1261135. S2CID 89599089.
- ^ Mayr, G.; Zelenkov, N. (2009). "New Specimens of Zygodactylid Birds from the Middle Eocene of Messel, with Description of a New Species of Primozygodactylus". Acta Palaeontologica Polonica. 54 (1): 15–20. doi:10.4202/app.2009.B103. S2CID 55370152.
- ^ Gerald Mayr (2015). "A reassessment of Eocene parrotlike fossils indicates a previously undetected radiation of zygodactyl stem group representatives of passerines (Passeriformes)". Zoologica Scripta. 44 (6): 587–602. doi:10.1111/zsc.12128. S2CID 85599482.
- ^ Mayr, G. (2008). "Pumiliornis tessellatus Mayr, 1999 revisited — new data on the osteology and possible phylogenetic affinities of an enigmatic Middle Eocene bird". Paläontologische Zeitschrift. 82 (3): 247–253. doi:10.1007/bf02988891. S2CID 55757331.
- ^ Mayr, G. (2016). "Towards completion of the early Eocene aviary: A new bird group from the Messel oil shale (Aves, Eopachypterygidae, fam. nov.)". Zootaxa. 4013 (2): 252–264. doi:10.11646/zootaxa.4013.2.6. PMID 26623896.
- ^ Mayr, G. (2010). "A New Avian Species with Tubercle-bearing Cervical Vertebrae from the Middle Eocene of Messel (Germany)". Records of the Australian Museum. 62: 21–28. doi:10.3853/j.0067-1975.62.2010.1537.
- ^ Von Koenigswald, W. (1990). "Die Paläobiologie der Apatemyiden (Insectivora sl) und die Ausdeutung der Skelettfunde von Heterohyus nanus aus dem Mitteleozän von Messel bei Darmstadt". Palaeontographica. Abteilung A, Paläozoologie, Stratigraphie. 210 (1–3): 41–77.
- ^ Franzen, J. L. (1988). "Skeletons of Aumelasia (Mammalia, Artiodactyla, Dichobunidae) from Messel (M. Eocene, W. Germany)". Courier Forschungsinstitut Senckenberg. 107: 309–321.
- ^ Franzen, J.L. (1983). "Fossilfundstelle Messel, Nr. 35: Ein zweites Skelett von Messelobunodon (Mammalia, Artiodactyla, Dichobunidae) aus der "Grube Messel" bei Darmstadt (Deutschland, S-Hessen)". Senckenbergiana Lethaea. 64 (5–6): 403–445.
- ^ Tobien, H. (1985). "Zur Osteologie von Masillabune (Mammalia, Artiodactyla, Haplobunodontidae) aus dem Mitteleozan der Fossilfundstatte Messel bei Darmstadt (S-Hessen, Bundesrepublik Deutschland)". Geologisches Jahrbuch Hessen. 113: 5–58.
- ^ Storch, G.; Habersetzer, J. (1988). "Archaeonycteris pollex (Mammalia: Chiroptera) eine neue Fledermaus aus dem Eozän der Grube Messel bei Darmstadt". Courier Forschungsinstitut Senckenberg. 107: 263–273.
- ^ Revilliod, P. (1917). "Contribution à l'étude des chiroptères des terrains tertiares". Abhandlungen der Schweizerischen Paläontologischen Gesellschaft. 42: 1–57.
- ^ a b Smith, J.D.; Storch, G. (1981). "New Middle Eocene bats from "Grube Messel" near Darmstadt, W-Germany". Senckenbergiana Biologica. 61 (3–4): 153–167.
- ^ Storch, G.; Sigé, B.; Habersetzer, J. (2002). "Tachypteron franzeni n. gen., n. sp., earliest emballonurid bat from the Middle Eocene of Messel (Mammalia, Chiroptera)". Paläontol Z. 76 (2): 189–199. Bibcode:2002PalZ...76..189S. doi:10.1007/BF02989856. S2CID 85053734.
- ^ Rose, K. D.; Dunn, R. H.; Grande, L. (2014). "A new skeleton ofPalaeosinopa didelphoides(Mammalia, Pantolesta) from the early Eocene Fossil Butte Member, Green River Formation (Wyoming), and skeletal ontogeny in Pantolestidae". Journal of Vertebrate Paleontology. 34 (4): 932–940. Bibcode:2014JVPal..34..932R. doi:10.1080/02724634.2013.822876. S2CID 130601648.
- ^ Storch, G. (1993). "Morphologie und Paläobiologie von Macrocranion tenerum, einem Erinaceomorphen aus dem Mittel-Eozän von Messel bei Darmstadt (Mammalia, Lipotyphla)". Senckenbergiana Lethaea. 73 (1): 61–81.
- ^ Maier, W. (1977). "Macrocranion tupaiodon Weitzel, 1949,–ein igelartiger Insektivor aus dem Eozän von Messel und seine Beziehungen zum Ursprung der Primaten". Journal of Zoological Systematics and Evolutionary Research. 15 (4): 311–318. doi:10.1111/j.1439-0469.1977.tb00544.x.
- ^ Smith, T.; Bloch, J.I.; Strait, S.G.; Gingerich, P.D. (2002). "New species of Macrocranion (Mammalia, Lipotyphla) from the earliest Eocene of North America and its biogeographic implications" (PDF). Contributions from the Museum of Paleontology the University of Michigan. 30 (14): 373–384.
- ^ von Koenigswald, W.; Storch, G. (1983). "Fossilfundstelle Messel, Nr. 36: Pholidocercus hassiacus, ein Amphilemuride aus dem Eozän der "Grube Messel" bei Darmstadt (Mammalia, Lipotyphla)". Senckenbergiana Lethaea. 64 (5–6): 447–495.
- ^ Storch, G.; Lister, A. M. (1985). "Lepticticium nasutum, ein Pseudorhyncocyonide aus dem Eozän der Grube Messel bei Darmstadt (Mammalia, Proteutheria). Fossilfundstelle Messel, Nr. 42". Senckenbergiana Lethaea. 66 (1–2): 1–37.
- ^ Wighart von Koenigswald; Gerhard Storch (March 16, 1987). "Leptictidium tobieni n sp., ein dritter Pseudorhyncocyonide (Proteutheria, Mammalia) aus dem Eozän von Messel". Courier Forschungsinstitut Senckenberg (in German). 91: 107–116, 9 Abb.
- ^ Storch, G. (1993). "Amphiperatherium goethei, ein weiteres Beuteltier aus dem Eozän von Messel (Mammalia, Didelphidae)". Carolinea. 51: 123–124.
- ^ a b Kurz, C.; Habersetzer, J. (2004). "Untersuchungen der Zahnmorphologie von Beutelratten aus Messel mit der Mikroröntgenmethode CORR". Courier Forschungsinstitut Senckenberg. 252: 13–21.
- ^ Morlo, M.; Habersetzer, J. (1999). "The Hyaenodontidae (Creodonta, Mammalia) from the lower Middle Eocene (MP 11) of Messel (Germany) with special remarks on new x-ray methods" (PDF). Courier Forschungsinstitut Senckenberg: 31–74.
- ^ a b Springhorn, R. (1982). "Neue Raubtiere (Mammalia: Creodonta et Carnivora) aus dem Lutetium der Grube Messel (Deutschland)". Palaeontographica Abteilung A. 179: 105–141.
- ^ Springhorn, R. (2000). "Messelogale, eine neue Raubtiergattung aus dem Mitteleozän von Messel (Deutschland)". Paläontol. Z. 74 (3): 425–439. doi:10.1007/BF02988110. S2CID 127809369.
- ^ Springhorn, R. (1980). "Paroodectes feisti, der erste Miacide (Carnivora, Mammalia) aus dem Mittel-Eozän von Messel". Paläontol. Z. 54 (1–2): 171–198. doi:10.1007/BF02985887. S2CID 128857759.
- ^ Gaubert, P.; Wible, J. R.; Heighton, S. P.; Gaudin, T. J. (2020). "Phylogeny and systematics". Pangolins:Science, Society and Conservation. pp. 25–39. doi:10.1016/b978-0-12-815507-3.00002-2. ISBN 9780128155073. S2CID 213774443.
- ^ Von Koenigswald, W.; Richter, G.; Storch, G (1981). "NACHWEIS VON HORNSCHUPPEN BEI EOMANIS WALDI AUS DER" GRUBE MESSEL" BEI DARMSTADT (MAMMALIA, PHOLIDOTA)". Senckenb. Lethaea. 61 (3–6): 291–298. ISSN 0037-2110.
- ^ Gaudin, Timothy (2009). "The Phylogeny of Living and Extinct Pangolins (Mammalia, Pholidota) and Associated Taxa: A Morphology Based Analysis" (PDF). Journal of Mammalian Evolution. 16 (4). Heidelberg, Germany: Springer Science+Business Media: 235–305. doi:10.1007/s10914-009-9119-9. S2CID 1773698. Archived from the original (PDF) on 2015-09-25. Retrieved 2020-11-16.
- ^ Delsuc, F.; Ctzeflis, F.M.; Stanhope, M.J.; Douzery, E.J. P. (2001). "The evolution of armadillos, anteaters and sloths depicted by nuclear and mitochondrial phylogenies: implications for the status of the enigmatic fossil Eurotamandua". Proc. R. Soc. Lond. B. 268 (1476): 1605–1615. doi:10.1098/rspb.2001.1702. PMC 1088784. PMID 11487408.
- ^ Franzen, J.L. (2006). "Eurohippus n.g., a new genus of horses from the Middle to Late Eocene of Europe". Senckenbergiana Lethaea. 86: 97–102. doi:10.1007/BF03043638. S2CID 84192738.
- ^ Franzen, J.L.; Habersetzer, J. (2017). "Complete skeleton of Eurohippus messelensis (Mammalia, Perissodactyla, Equoidea) from the early middle Eocene of Grube Messel (Germany)". Palaeobio Palaeoenv. 97 (4): 807–832. Bibcode:2017PdPe...97..807F. doi:10.1007/s12549-017-0280-5. S2CID 135363952.
- ^ Franzen, J. L. (1990). "Hallensia (Mammalia, Perissodactyla) aus Messel und dem Pariser Becken sowie Nachträge aus dem Geiseltal". Bulletin de l'Institut Royal des Sciences Naturelles de Belgique, Sciences de la Terre. 60: 175–201.
- ^ Franzen, J. L. (1981). "HYRACHYUS MINIMUS (MAMMALIA, PERISSODACTYLA, HELALETIDAE) AUS DEN MITTELEOZAENEN OELSCHIEFERN DER" GRUBE MESSEL" BEI DARMSTADT (DEUTSCHLAND, S-HESSEN)". Senckenb. Lethaea. 61 (3–6): 371–376. ISSN 0037-2110.
- ^ Wilde, V.; Hellmund, M. (2010). "First record of gut contents from a middle Eocene equid from the Geiseltal near Halle (Saale), Sachsen-Anhalt, Central Germany". Palaeobiodiversity and Palaeoenvironments. 90 (2): 153–162. Bibcode:2010PdPe...90..153W. doi:10.1007/s12549-010-0028-y. S2CID 128890140.
- ^ Franzen, J. L.; Gingerich, P. D.; Habersetzer, J.; Hurum, J. H.; Von Koenigswald, W.; Smith, B. H. (2009). J., Hawks (ed.). "Complete primate skeleton from the Middle Eocene of Messel in Germany: morphology and paleobiology". PLOS ONE. 4 (5): e5723. Bibcode:2009PLoSO...4.5723F. doi:10.1371/journal.pone.0005723. PMC 2683573. PMID 19492084.
- ^ a b Franzen, J.L. (2000). "Europolemur kelleri n. sp. von Messel und ein Nachtrag zu Europolemur koenigswaldi (Mammalia, Primates, Notharctidae, Cercamoniinae)". Senckenbergiana Lethaea. 80: 275–287. doi:10.1007/BF03043672. S2CID 127968512.
- ^ Franzen, J.L. (2000). "Der sechste Messel-Primate (Mammalia, Primates, Notharctidae, Cercamoniinae)". Senckenbergiana Lethaea. 80: 289–303. doi:10.1007/BF03043673. S2CID 126907145.
- ^ Franzen, J.L.; Wilde, V. (2003). "First gut content of a fossil primate" (PDF). Journal of Human Evolution. 44 (3): 373–378. Bibcode:2003JHumE..44..373.. doi:10.1016/S0047-2484(02)00204-X. PMID 12674096.
- ^ Heissig, K. (2003). "Origin and early dispersal of the squirrels and their relatives". Deinsea. 10 (1): 277–286.
- ^ Storch, G.; Seiffert, C. (2007). "Extraordinarily preserved specimen of the oldest known glirid from the middle Eocene of Messel (Rodentia)". Journal of Vertebrate Paleontology. 27 (1): 189–194. doi:10.1671/0272-4634(2007)27[189:EPSOTO]2.0.CO;2. S2CID 85909806.
- ^ a b c d Vianey-Liaud, M.; Marivaux, L.; Lehamnn, T. (2019). "A reevaluation of the taxonomic status of the rodent Masillamys Tobien, 1954 from Messel (Germany, late early to early middle Eocene, 48–47 my)" (PDF). Fossil Imprint. 75 (3–4): 454–483. doi:10.2478/if-2019-0028. S2CID 210921517.

































































.jpg)


%252C_Royal_Tyrrell_Museum%252C_Drumheller%252C_Alberta%252C_2025-07-13.jpg)



















